Запчасти Komatsu PC300LC-8 ЭКСКАВАТ. КОВШ, (/) (№-) ЭКСКАВАТ. КОВШ, .M, MM ШИР., ГОРИЗОНТАЛЬН. ПАЛЕЦ, С ПОДЪЕМ КРЮК, БОКОРЕЗЫ

Схема запчастей Komatsu PC300LC-8 - ЭКСКАВАТ. КОВШ, (/) (№-) ЭКСКАВАТ. КОВШ, .M, MM ШИР., ГОРИЗОНТАЛЬН. ПАЛЕЦ, С ПОДЪЕМ КРЮК, БОКОРЕЗЫ
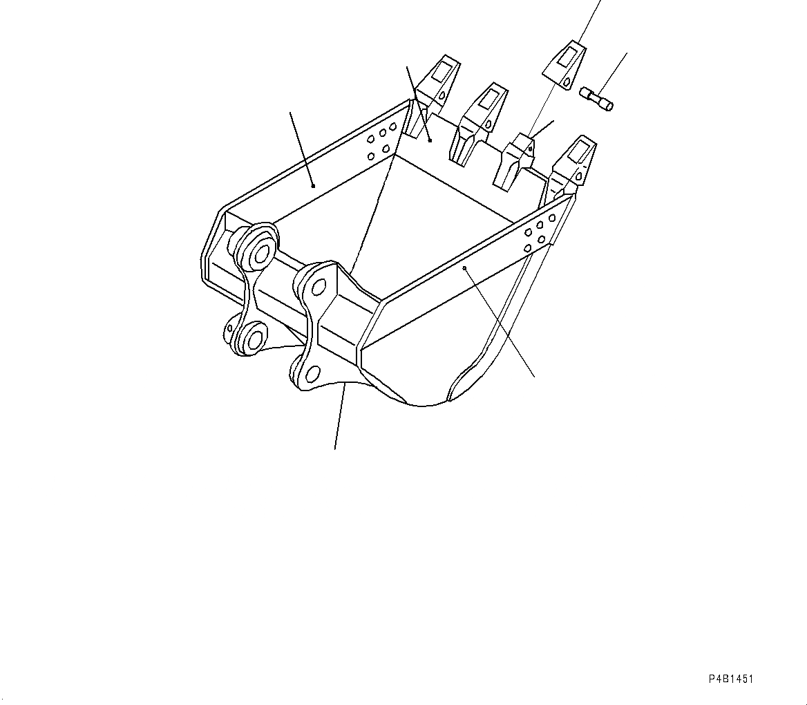
1
2
4
3
5
6
7
FIT
1:1
100%

Артикул

Название

Примечание

Количество

1

207-926-5310

Bucket

2

207-939-3120

Adapter,Welded

3

207-70-54121

Plate,Welded

4

207-70-54131

Plate,Welded

5

207-926-5120

Plate,Welded

6

207-70-14151

Tooth

7

09244-02516

Pin

Выбрано товаров: 7