Запчасти Komatsu PC300LC-8 КАБИНА, ПОЛ, ПЕРЕКЛЮЧАТЕЛЬ (№-) КАБИНА, -ДОПОЛН. АКТУАТОР ТРУБЫ, АККУМУЛЯТОР, С AMBER COLOR WARNING МИГАЛКА, СИГНАЛИЗ. ПЕРЕГРУЗКИ, АВТОМАТИЧ. КОНДИЦ. ВОЗДУХА, БОЛ. WIND

Схема запчастей Komatsu PC300LC-8 - КАБИНА, ПОЛ, ПЕРЕКЛЮЧАТЕЛЬ (№-) КАБИНА, -ДОПОЛН. АКТУАТОР ТРУБЫ, АККУМУЛЯТОР, С AMBER COLOR WARNING МИГАЛКА, СИГНАЛИЗ. ПЕРЕГРУЗКИ, АВТОМАТИЧ. КОНДИЦ. ВОЗДУХА, БОЛ. WIND
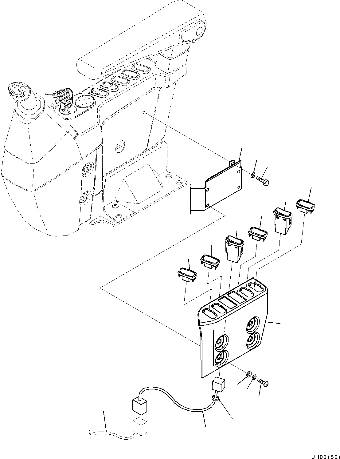
13
8
11
10
9
8
7
6
5
3
2
4
1
8
12
14
FIT
1:1
100%

Артикул

Название

Примечание

Количество

1

20Y-43-41880

Cover

2

01245-00616

Screw

3

01643-70623

Washer

4

20Y-53-12310

Collar

5

20Y-43-41372

Bracket

6

01010-D0612

Bolt

7

01643-70623

Washer

8

20Y-06-42190

Cover

9

20J-06-11630

Switch, Quick Coupler

10

20E-06-K1610

Cover

11

17A-06-42230

Switch

12

20Y-06-48651

Wiring Harness

13

08034-20536

Band

14

207-06-76860

Wiring Harness

Выбрано товаров: 0