Запчасти Komatsu PC300LC-8 КАБИНА, ПОЛ, ПОДЛОКОТНИК, ЛЕВ. (№7-) КАБИНА, -ДОПОЛН. АКТУАТОР ТРУБЫ, АККУМУЛЯТОР, С AMBER COLOR WARNING МИГАЛКА, СИГНАЛИЗ. ПЕРЕГРУЗКИ, АВТОМАТИЧ. КОНДИЦ. ВОЗДУХА, БОЛ. WIND

Схема запчастей Komatsu PC300LC-8 - КАБИНА, ПОЛ, ПОДЛОКОТНИК, ЛЕВ. (№7-) КАБИНА, -ДОПОЛН. АКТУАТОР ТРУБЫ, АККУМУЛЯТОР, С AMBER COLOR WARNING МИГАЛКА, СИГНАЛИЗ. ПЕРЕГРУЗКИ, АВТОМАТИЧ. КОНДИЦ. ВОЗДУХА, БОЛ. WIND
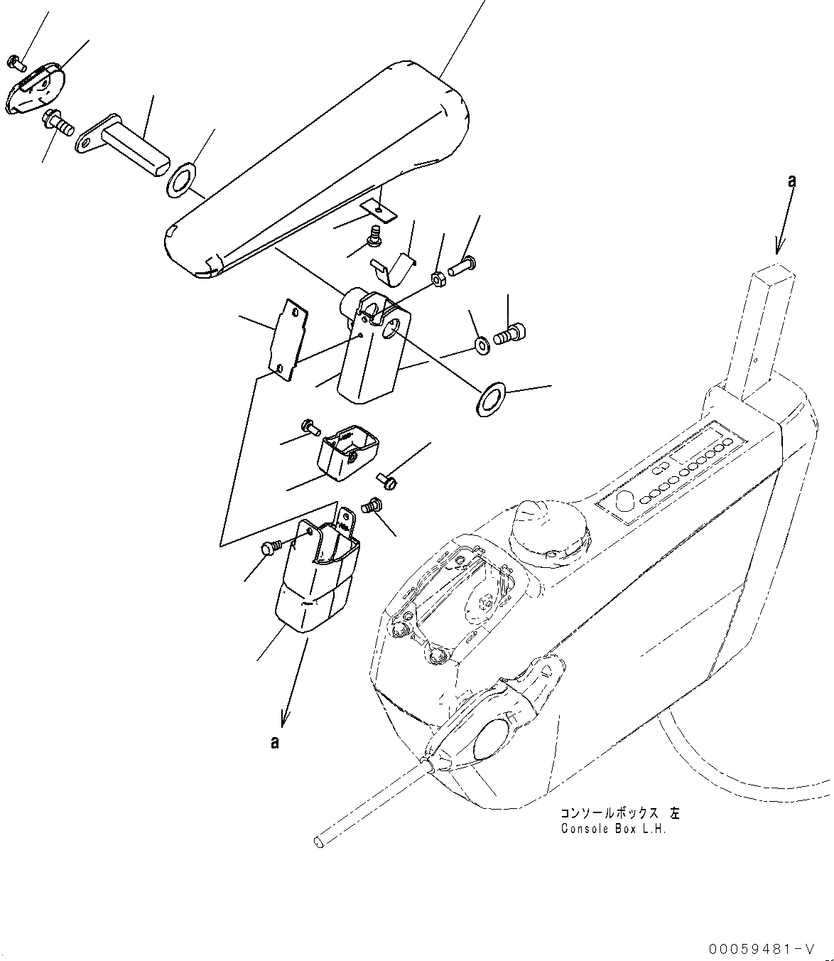
4
3
6
7
8
8
10
9
11
12
14
14
16
16
17
18
19
1
13
2
15
5
FIT
1:1
100%

Артикул

Название

Примечание

Количество

1

20Y-43-41143

Armrest

2

20Y-43-18313

Bracket

3

01252-80820

Bolt

4

01643-70823

Washer

5

20Y-43-41162

Pin

6

01435-40816

Bolt

7

20Y-43-41152

Spring

8

437-40-26240

Washer

9

01245-00620

Screw

10

01580-40605

Nut

11

20Y-43-41181

Cap

12

01023-20512

Screw

13

20Y-43-42191

Cover

14

01370-40510

Screw

15

20Y-43-42591

Cover

16

01023-20512

Screw

17

20Y-43-41281

Rubber

18

20Y-43-41461

Plate

19

01370-40610

Screw

Выбрано товаров: 19