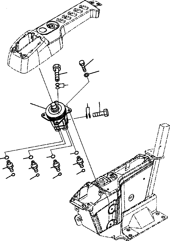
Запчасти Komatsu PC300LC-8 K-A КАБИНА КЛАПАН, ПРАВ. СОЕДИН-ЕS OPERATOR\XD S ОБСТАНОВКА И СИСТЕМА УПРАВЛЕНИЯ

Схема запчастей Komatsu PC300LC-8 - K-A КАБИНА КЛАПАН, ПРАВ. СОЕДИН-ЕS OPERATOR\XD S ОБСТАНОВКА И СИСТЕМА УПРАВЛЕНИЯ
12
8
9
12
10
11
12
10
11
12
8
9
1
7
6
3
2
4
5
FIT
1:1
100%

Артикул

Название

Примечание

Количество

2

01010-80820

BOLT

3

01643-30823

WASHER

4

20Y-62-18910

BOLT

5

07000-12018

O-RING

6

20Y-62-18890

BOLT

7

07000-12015

O-RING

8

11Y-62-12130

NIPPLE

9

02896-11008

O-RING

10

11Y-62-12520

NIPPLE

11

02896-11009

O-RING

12

07002-11423

O-RING

Выбрано товаров: 0