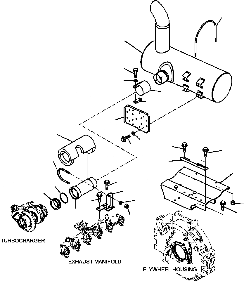
Запчасти Komatsu PC300LC-8 B-A ВЫПУСКН. ГЛУШИТЕЛЬ КОМПОНЕНТЫ ДВИГАТЕЛЯ

Схема запчастей Komatsu PC300LC-8 - B-A ВЫПУСКН. ГЛУШИТЕЛЬ КОМПОНЕНТЫ ДВИГАТЕЛЯ
6
1
3
4
2
5
8
24
10
14
9
14
21
13
11
19
16
15
18
22
20
7
17
12
23
FIT
1:1
100%

Артикул

Название

Примечание

Количество

1

6745-11-6120

MUFFLER

2

6743-11-5230

CLAMP

3

01010-E1235

BOLT

4

01643-31232

WASHER

5

6206-11-5850

PLATE

6

6222-11-5940

U-BOLT

7

01594-01008

NUT

8

6745-11-6130

COVER

9

01435-00820

BOLT

10

154-61-16570

WASHER

11

6745-11-6140

BRACKET

12

01435-01225

BOLT

13

6745-11-6150

BRACKET

14

01435-00820

BOLT

15

207-01-68170

TUBE

16

6151-11-5280

RING

17

6745-11-5710

TUBE

18

6743-11-5750

BRACKET

19

01435-01025

BOLT

20

01435-01020

BOLT

21

07283-31079

CLIP

22

01643-31232

WASHER

23

01597-01211

NUT

24

6745-81-8464

COVER

Выбрано товаров: 24