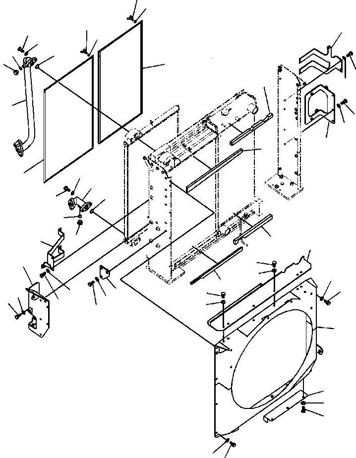
Запчасти Komatsu PC300LC-8 C-A ОХЛАЖД-Е КОЖУХ СИСТЕМА ОХЛАЖДЕНИЯ

Схема запчастей Komatsu PC300LC-8 - C-A ОХЛАЖД-Е КОЖУХ СИСТЕМА ОХЛАЖДЕНИЯ
5
6
2
33
43
3
44
42
40
4
41
34
21
35
39
28
29
9
27
20
50
1
45
46
49
48
30
22
47
12
15
24
16
11
23
10
26
13
36
32
25
38
31
14
37
7
17
19
18
9
8
FIT
1:1
100%

Артикул

Название

Примечание

Количество

1

208-03-71360

NET

2

01434-10616

BOLT, WING

3

01643-30623

WASHER

4

208-03-71370

NET

5

01434-10616

BOLT, WING

6

01643-30623

WASHER

7

207-03-75252

SHROUD

8

01010-81020

BOLT

9

01643-31032

WASHER

10

01010-81030

BOLT

11

01643-31032

WASHER

12

207-03-76370

COVER

13

01010-81030

BOLT

14

01643-31032

WASHER

15

01010-81020

BOLT

16

01643-31032

WASHER

17

207-03-75270

COVER

18

01010-81020

BOLT

19

01643-31032

WASHER

20

208-03-71720

SEAL

21

208-03-71741

SEAL

22

208-03-71751

SEAL

23

208-03-71760

SEAL

24

207-03-75231

BRACKET

25

01010-81230

BOLT

26

01643-31232

WASHER

27

207-03-75241

BRACKET

28

01010-81020

BOLT

29

01643-31032

WASHER

30

207-979-7623

BRACKET

31

01010-81020

BOLT

32

01643-31032

WASHER

33

207-979-7631

BRACKET

34

01010-81020

BOLT

35

01643-31032

WASHER

36

207-03-75190

BRACKET

37

01010-81225

BOLT

38

01643-31232

WASHER

39

207-03-75211

TUBE

40

07002-11423

O-RING

41

07040-11409

PLUG

42

07000-13045

O-RING

43

01010-81235

BOLT

44

01643-31232

WASHER

45

208-03-71350

TUBE

46

07000-13045

O-RING

47

07040-11409

PLUG

48

07002-11423

O-RING

49

01010-81235

BOLT

50

01643-31232

WASHER

Выбрано товаров: 50