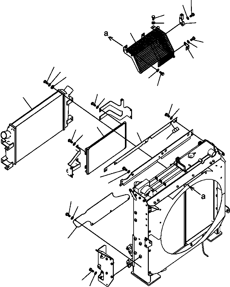
Запчасти Komatsu PC300LC-8 C-A ОХЛАЖД-Е ПОСЛЕОХЛАДИТЕЛЬ И КОНДЕНСАТОР СИСТЕМА ОХЛАЖДЕНИЯ

Схема запчастей Komatsu PC300LC-8 - C-A ОХЛАЖД-Е ПОСЛЕОХЛАДИТЕЛЬ И КОНДЕНСАТОР СИСТЕМА ОХЛАЖДЕНИЯ
23
24
20
21
22
19
26
27
25
3
4
2
21
20
6
1
7
10
11
5
6
8
7
9
12
13
15
16
14
17
18
FIT
1:1
100%

Артикул

Название

Примечание

Количество

1

6152-62-5110

AFTERCOOLER ASSEMBLY

2

6110-23-6490

SPACER

3

01010-81045

BOLT

4

01643-31032

WASHER

5

208-979-7520

CONDENSER ASSEMBLY

6

01010-80616

BOLT

7

01643-30623

WASHER

8

207-03-76360

COVER

9

208-03-71770

SEAL

10

01010-81225

BOLT

11

01643-31232

WASHER

12

01010-81020

BOLT

13

01643-31032

WASHER

14

207-03-75471

COVER

15

01010-81020

BOLT

16

01643-31032

WASHER

17

01010-81020

BOLT

18

01643-31032

WASHER

19

207-03-75521

GUARD

20

01010-81225

BOLT

21

01643-31232

WASHER

22

207-03-75610

BRACKET

23

01010-81225

BOLT

24

01643-31232

WASHER

25

207-979-6180

BRACKET

26

01010-81225

BOLT

27

01643-31232

WASHER

Выбрано товаров: 27