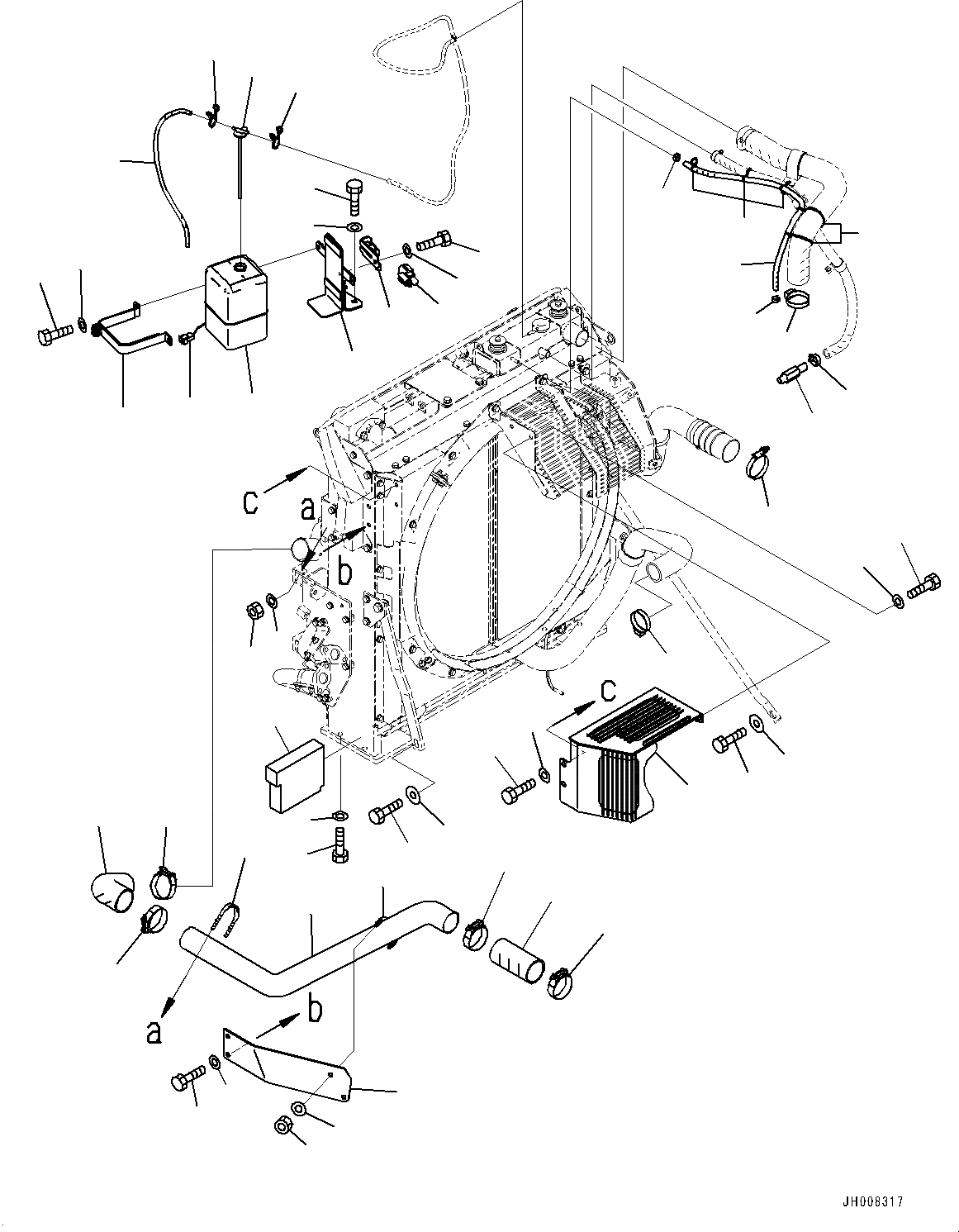
Запчасти Komatsu PC300LC-8M0 СИСТЕМА ОХЛАЖДЕНИЯ, SUB-БАК (№8-) СИСТЕМА ОХЛАЖДЕНИЯ, С АВТОМАТИЧ. КОНДИЦ. ВОЗДУХА

Схема запчастей Komatsu PC300LC-8M0 - СИСТЕМА ОХЛАЖДЕНИЯ, SUB-БАК (№8-) СИСТЕМА ОХЛАЖДЕНИЯ, С АВТОМАТИЧ. КОНДИЦ. ВОЗДУХА
1
2
3
4
5
6
7
9
10
11
12
13
14
15
16
17
18
19
20
21
22
23
25
26
28
29
30
31
32
33
34
35
36
37
38
39
40
41
42
43
44
16
17
24
7
8
8
3
4
10
9
24
27
27
FIT
1:1
100%

Артикул

Название

Примечание

Количество

1

01010-81640

Bolt

2

01643-31645

Washer

3

01010-81640

Bolt

4

21T-54-16150

Washer

5

207-01-72361

Tube

6

207-01-72372

Hose

7

207-01-75340

Clamp

8

07283-37663

Clip

9

01643-31032

Washer

10

01597-01009

Nut

11

207-03-72191

Bracket

12

01010-81230

Bolt

13

01643-31232

Washer

14

207-01-75340

Clamp

15

207-03-72131

Guard

16

01010-81225

Bolt

17

01643-31232

Washer

18

207-03-75330

Nipple

19

207-03-72810

Hose Assembly

20

11Y-09-11140

Clip

21

207-03-72620

Hose

22

207-01-75340

Clamp

23

07299-00080

Clamp, Hose

24

07289-00070

Clamp

25

07281-00359

Clamp, Hose

26

11Y-09-11140

Clip

27

134-03-61410

Band

28

207-03-72651

Seal

29

419-03-21320

Tank, Reservoir

30

421-03-22170

Cap

31

08055-00282

Connector

32

207-03-72691

Bracket

33

207-03-72711

Band

34

01010-81025

Bolt

35

01643-31032

Washer

36

01010-80612

Bolt

37

01643-30623

Washer

38

22U-03-27951

Hose

39

206-03-43340

Clip

40

20Y-979-6271

Bracket

41

20Y-979-6191

Sensor

42

01010-81230

Bolt

43

01643-31232

Washer

44

206-03-43340

Clip

Выбрано товаров: 44