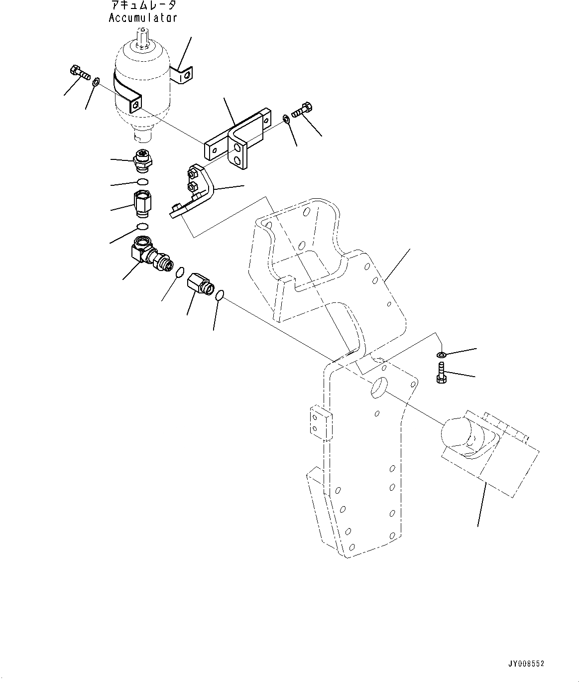
Запчасти Komatsu PC300LC-8M0 АКТУАТОР ТРУБЫ, АККУМУЛЯТОР, ЛЕВ. (№8-) АКТУАТОР ТРУБЫ, -ДОПОЛН. АКТУАТОР ТРУБЫ, АККУМУЛЯТОР

Схема запчастей Komatsu PC300LC-8M0 - АКТУАТОР ТРУБЫ, АККУМУЛЯТОР, ЛЕВ. (№8-) АКТУАТОР ТРУБЫ, -ДОПОЛН. АКТУАТОР ТРУБЫ, АККУМУЛЯТОР
3
2
4
4
1
1
4
9
10
11
13
12
7
6
5
8
4
14
15
FIT
1:1
100%

Артикул

Название

Примечание

Количество

|$0

20Y-970-6450

Accumulator Assembly

1

201-62-71810

Joint

2

207-62-73350

Elbow

3

205-970-5550

Nipple

4

07002-12434

O-ring

5

207-62-73251

Bracket

6

01010-81250

Bolt

7

01643-31232

Washer

8

207-62-73240

Bracket

9

01010-81240

Bolt

10

01643-31232

Washer

11

175-61-51750

Plate

12

01010-81225

Bolt

13

01643-31232

Washer

14

207-62-73141

Bracket

15

702-21-01920

Valve Assembly

Выбрано товаров: 16