Запчасти Komatsu PC300LC-8M0 ЭКСКАВАТ. КОВШ, (/) (№8-) ЭКСКАВАТ. КОВШ, .M, MM ШИР., ГОРИЗОНТАЛЬН. ПАЛЕЦ, THRUST ADJUSTMENT, С ПОДЪЕМ КРЮК

Схема запчастей Komatsu PC300LC-8M0 - ЭКСКАВАТ. КОВШ, (/) (№8-) ЭКСКАВАТ. КОВШ, .M, MM ШИР., ГОРИЗОНТАЛЬН. ПАЛЕЦ, THRUST ADJUSTMENT, С ПОДЪЕМ КРЮК
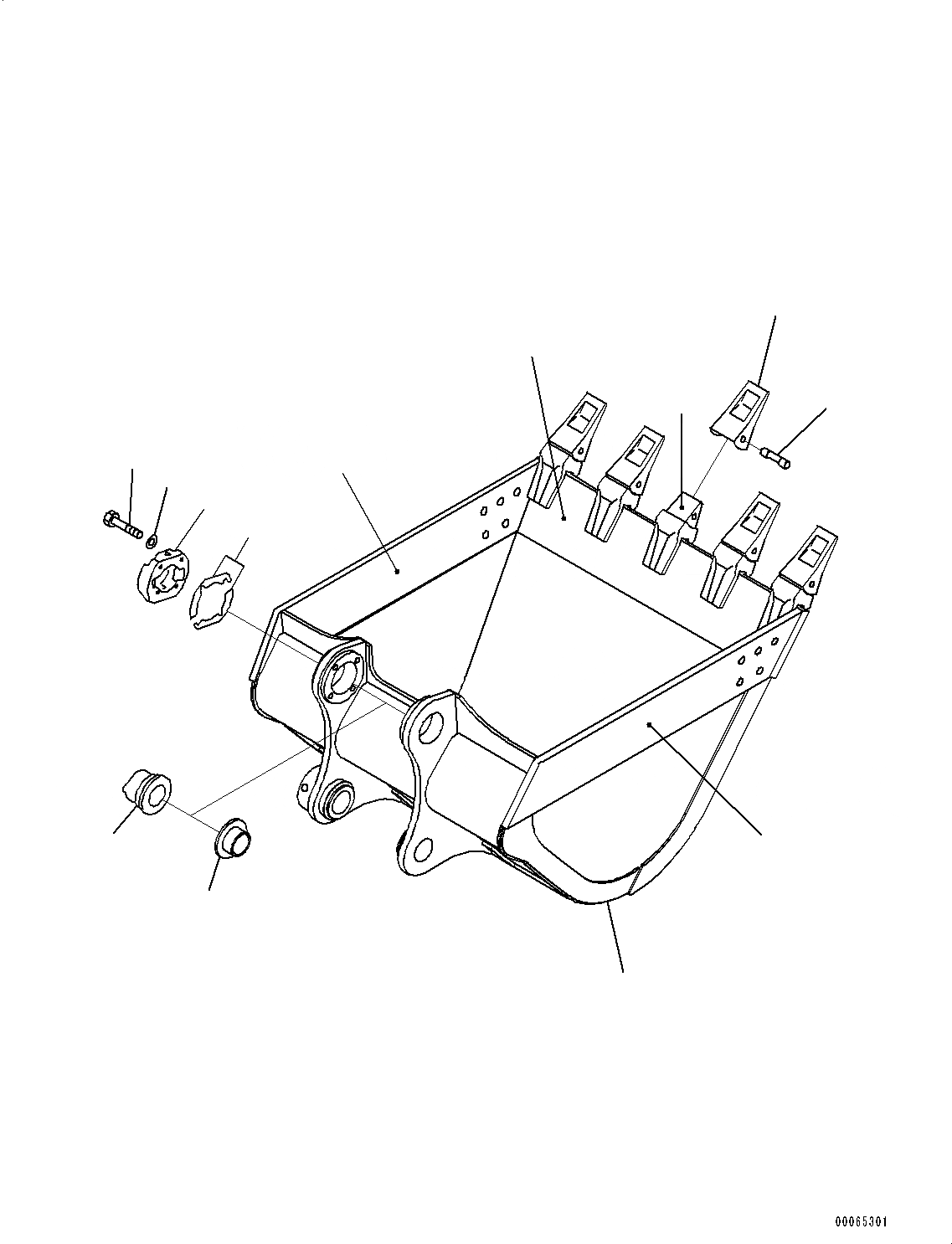
4
2
6
5
11
3
1
10
12
3
7
9
8
FIT
1:1
100%

Артикул

Название

Примечание

Количество

1

207-70-75410

Bucket

2

207-939-3120

Adapter,Welded

3

207-70-75120

Plate,Welded

4

207-70-54140

Plate,Welded

5

207-70-14151

Tooth

6

09244-02516

Pin

7

207-70-34240

Cover

8

01010-62065

Bolt

9

01643-32060

Washer

10

207-70-72470

Bushing

11

207-70-00061

Shim Assembly

11

Shim, T=1.0mm

11

Shim, T=0.5mm

12

207-70-34230

Bushing

Выбрано товаров: 14