Запчасти Komatsu PC300LC ЭЛЕКТРОПРОВОДКА В КАБИНЕ (ДЛЯ ПАНЕЛЬ СТОЙКА) (ДЛЯ WRIST УПРАВЛ-Е) КОМПОНЕНТЫ ДВИГАТЕЛЯ И ЭЛЕКТРИКА

Схема запчастей Komatsu PC300LC - ЭЛЕКТРОПРОВОДКА В КАБИНЕ (ДЛЯ ПАНЕЛЬ СТОЙКА) (ДЛЯ WRIST УПРАВЛ-Е) КОМПОНЕНТЫ ДВИГАТЕЛЯ И ЭЛЕКТРИКА
FIT
1:1
100%

Артикул

Название

Примечание

Количество

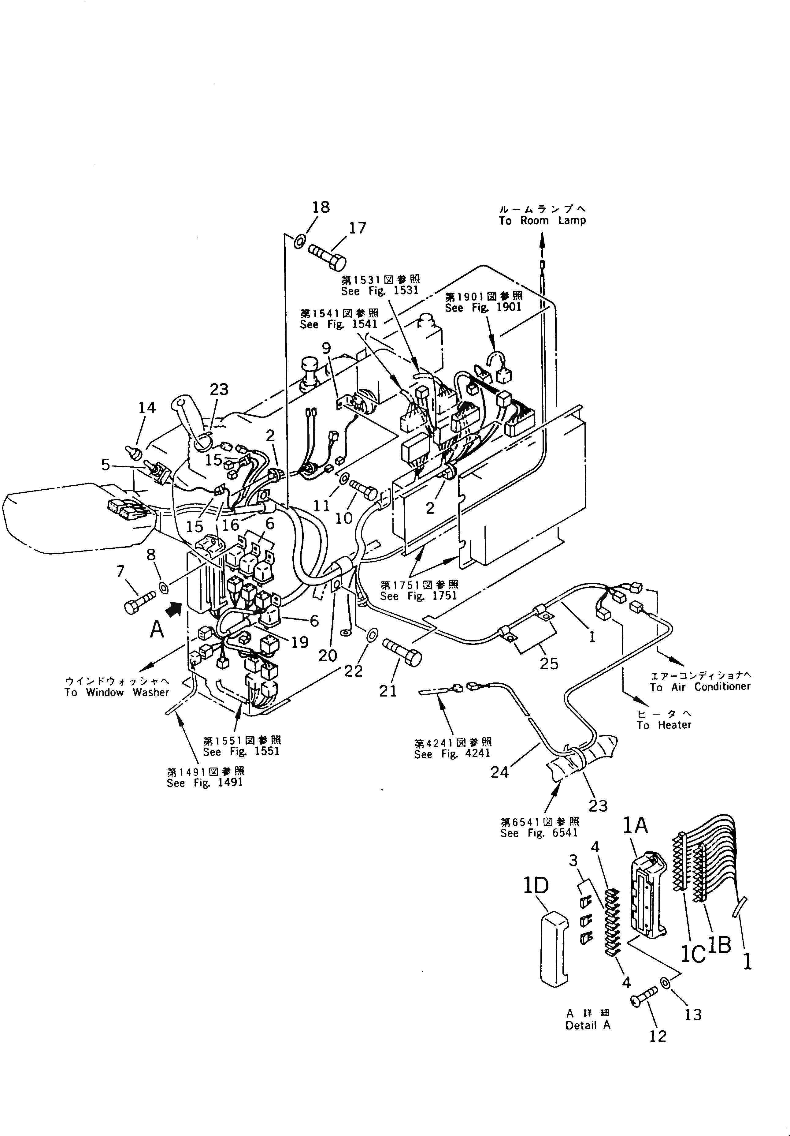
G-1

207-06-X2300

CAB HARNESS GROUP

1

20Y-06-16211

WIRING HARNESS

1A

20Y-06-16280

BOX

1B

283-06-16160

TERMINAL

1C

20Y-06-16290

TERMINAL

1D

195-Z11-2290

COVER

2

22W-06-13590

DIODE

3

205-06-73180

FUSE, 15A

4

283-06-16190

FUSE, 10A

5

23S-06-14410

SWITCH

6

22W-06-13450

RELAY ASS'Y

7

01010-50612

BOLT

8

01643-30623

WASHER

9

203-06-56230

BUZZER ASS'Y

10

01010-50610

BOLT

11

01643-30623

WASHER

12

01220-40616

SCREW

13

01642-20608

WASHER

14

203-06-41680

CAP

15

08051-00801

CLIP

16

08036-01814

CLIP

17

01010-51220

BOLT

18

01643-31232

WASHER

19

08036-01814

CLIP

20

208-06-19170

CLIP

21

01010-51220

BOLT

22

01643-31232

WASHER

23

08034-00823

BAND

24

20Y-06-16380

WIRING HARNESS

25

08036-01214

CLIP

Выбрано товаров: 0