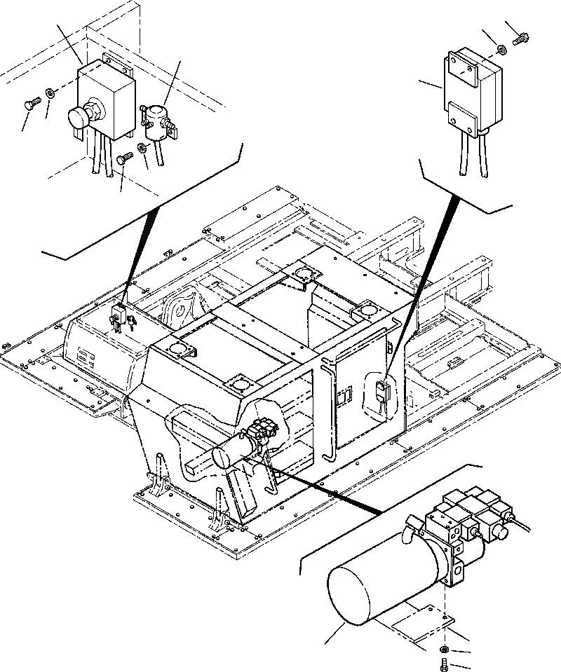
Запчасти Komatsu PC300LL-6 FIG. J-7A ОСНОВНАЯ РАМА С WALKWAY - ГИДРАВЛ НАКЛОН. POWER БЛОК - COMPONENTS ОСНОВНАЯ РАМА И ЕЕ ЧАСТИ

Схема запчастей Komatsu PC300LL-6 - FIG. J-7A ОСНОВНАЯ РАМА С WALKWAY - ГИДРАВЛ НАКЛОН. POWER БЛОК - COMPONENTS ОСНОВНАЯ РАМА И ЕЕ ЧАСТИ
7
4
8
5
6
8
7
8
7
1
3
2
FIT
1:1
100%

Артикул

Название

Примечание

Количество

1

20Y-46-A1890

TILT POWER UNIT, HYDRAULIC

2

02010-80632

SCREW

3

120 382

LOCKWASHER

4

20Y-46-A1910

CONTROL BOX ASSEMBLY

5

20Y-46-A1920

TILT SOLENOID, CAB

6

20Y-46-A1930

CONTROL BOX ASSEMBLY

7

01010-80816

BOLT

8

01643-30823

WASHER

Выбрано товаров: 8