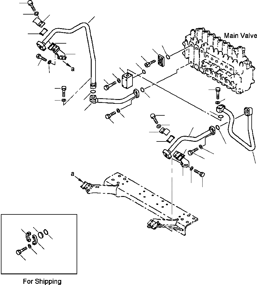
Запчасти Komatsu PC300LL-6 FIG. H7-A ГИДРОЛИНИЯ - НАВЕСНОЕ ОБОРУД-Е - АКТУАТОР ГИДРАВЛИКА

Схема запчастей Komatsu PC300LL-6 - FIG. H7-A ГИДРОЛИНИЯ - НАВЕСНОЕ ОБОРУД-Е - АКТУАТОР ГИДРАВЛИКА
38
36
20
39
37
3
33
2
5
32
4
1
34
7
35
6
21
9
10
22
19
23
11
16
30
18
12
31
17
28
29
25
15
14
13
8
24
27
26
40
41
44
41
43
42
FIT
1:1
100%

Артикул

Название

Примечание

Количество

1

20Y-62-25110

BLOCK

2

20Y-62-25120

PLATE

3

07000-13030

O-RING

4

07000-13035

O-RING

5

01252-41025

BOLT

6

01010-81090

BOLT

7

01643-31232

WASHER

8

207-970-6410

TUBE

9

01010-81060

BOLT

10

01643-31232

WASHER

11

07000-13035

O-RING

12

207-970-6420

TUBE

13

07372-21040

BOLT

14

01643-31232

WASHER

15

07000-13035

O-RING

16

207-970-6430

TUBE

17

07372-21040

BOLT

18

01643-31232

WASHER

19

07000-13035

O-RING

20

207-970-6440

TUBE

21

07372-21040

BOLT

22

01643-31232

WASHER

23

07000-13035

O-RING

24

207-970-6450

BRACKET, L.H.

25

205-62-73430

SEAT

26

01010-81235

BOLT

27

01643-31232

WASHER

28

207-62-52430

CLAMP

29

205-62-73430

SEAT

30

01010-81230

BOLT

31

01643-31232

WASHER

32

207-970-6460

BRACKET, R.H.

33

205-62-73430

SEAT

34

01010-81235

BOLT

35

01643-31232

WASHER

36

207-62-52430

CLAMP

37

205-62-73430

SEAT

38

01010-81230

BOLT

39

01643-31232

WASHER

40

07378-11210

HEAD

41

07371-51260

FLANGE, SPLIT

42

01010-81245

BOLT

43

01643-31232

WASHER

44

07000-13038

O-RING

Выбрано товаров: 44