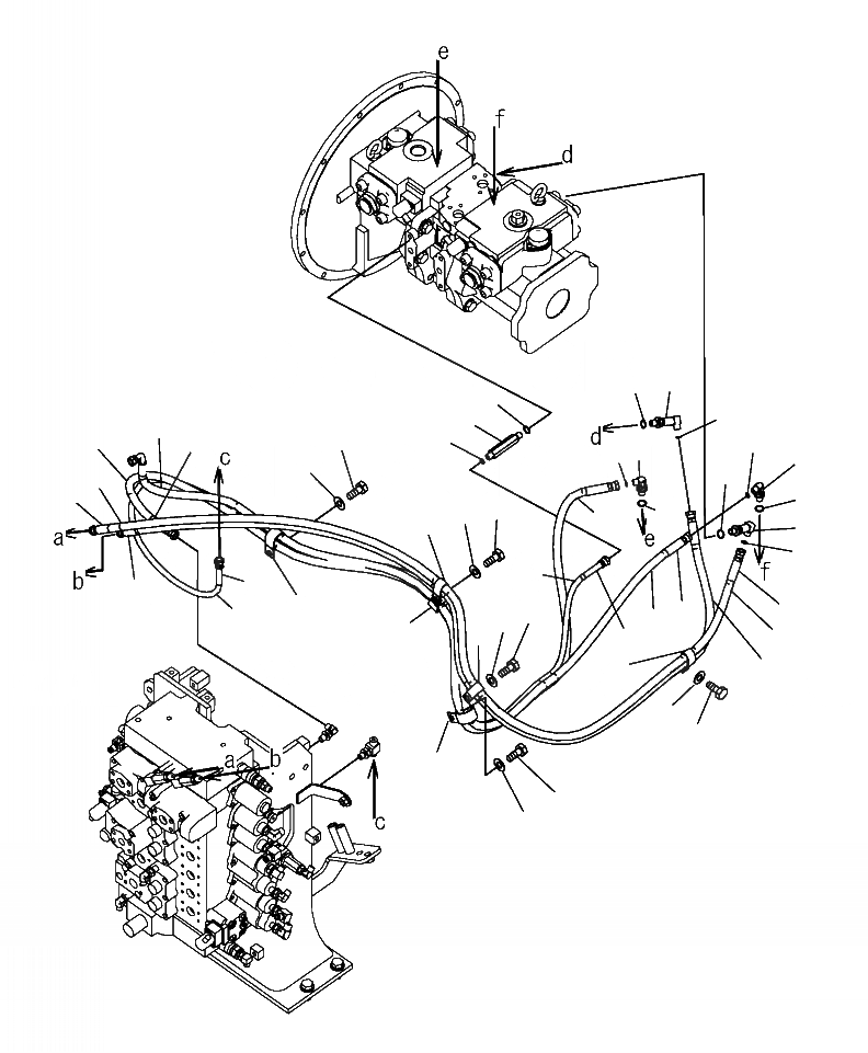
Запчасти Komatsu PC300LL-7E0 H8-H LS ЛИНИИ ГИДРАВЛИКА

Схема запчастей Komatsu PC300LL-7E0 - H8-H LS ЛИНИИ ГИДРАВЛИКА
4
6
9
5
7
17
21
16
2
18
8
1
2
1
22
6
10
11
3
21
22
17
12
4
5
15
19
10
11
20
13
18
15
14
16
20
12
10
19
10
12
14
13
20
21
22
FIT
1:1
100%

Артикул

Название

Примечание

Количество

1

11Y-62-12160

ELBOW

2

02896-11008

O-RING

3

07002-11423

O-RING

4

11Y-62-12370

ELBOW

5

02896-11008

O-RING

6

07002-11423

O-RING

7

207-62-71531

UNION

8

02896-11008

O-RING

9

07002-11423

O-RING

|$9

207-62-74742

HOSE ASSEMBLY

10

207-62-74850

HOSE

11

20Y-62-22790

BAND, RED

12

04435-51812

CLIP

13

01010-81220

BOLT

14

01643-31232

WASHER

|$15

207-62-74734

HOSE ASSEMBLY

15

02760-00227

HOSE, 2600 MM

16

207-62-74860

HOSE

17

207-62-74870

HOSE

18

20Y-62-22790

BAND, RED

19

20Y-62-22810

BAND, YELLOW

20

113-899-7950

CLIP

21

01010-81225

BOLT

22

01643-31232

WASHER

Выбрано товаров: 24