Качественные детали и логистика
Оригинальные и аналоговые запчасти с доставкой по России, Казахстану и Беларуси
©2022 PartSell ООО "Система" ИНН 2463123282 ОГРН 1212400004838
Центральный офис: г. Красноярск, Академика Киренского, д.87, пом.4
Телефон: 8 (800) 777-65-74 Email: zakaz@partsell.ru
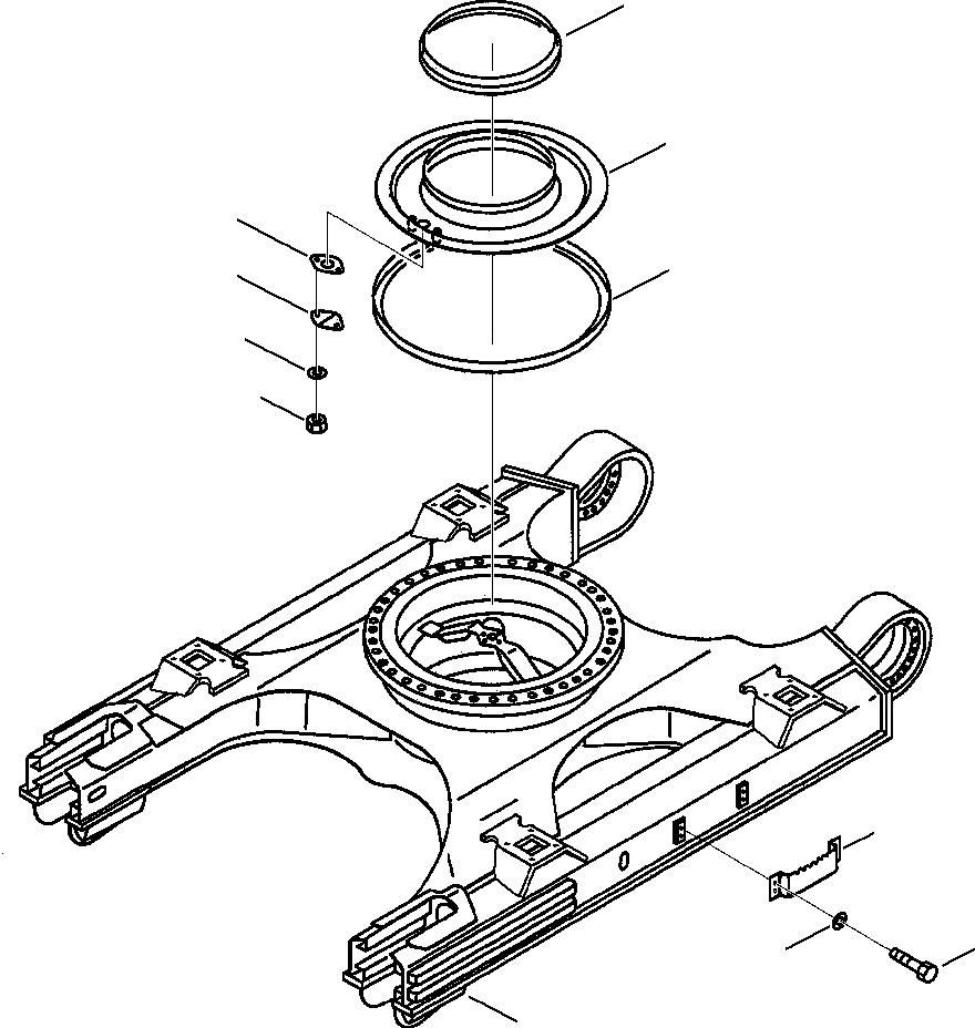
R-A ГУСЕНИЧНАЯ РАМА ВЫС.-ШИР. (ДЛЯ SKI-ТИП ЗАЩИТА КАТКОВS)
№
Артикул
Название
Примечание
Количество
1
207-30-A1910
TRACK FRAME
2
208-30-61220
COVER
3
205-30-71181
4
205-30-71191
GASKET
5
01580-11008
NUT
6
01643-31032
WASHER
7
207-30-51260
SEAL
8
205-30-71171
9
207-30-A1710
BRACKET
10
01010-81640
BOLT
11
01643-31645
Выбрано товаров: 0