Качественные детали и логистика
Оригинальные и аналоговые запчасти с доставкой по России, Казахстану и Беларуси
©2022 PartSell ООО "Система" ИНН 2463123282 ОГРН 1212400004838
Центральный офис: г. Красноярск, Академика Киренского, д.87, пом.4
Телефон: 8 (800) 777-65-74 Email: zakaz@partsell.ru
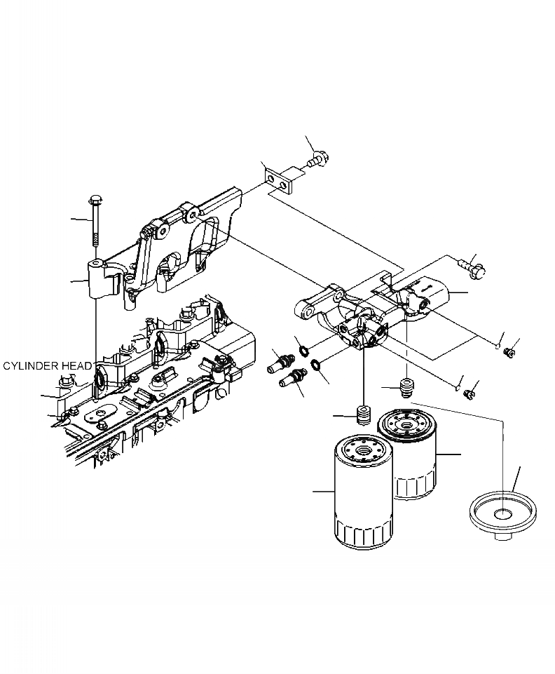
A-AA ТОПЛИВН. ФИЛЬТР.
№
Артикул
Название
Примечание
Количество
1
6745-71-6210
SUPPORT
2
6745-71-6220
BOLT
|$2
6732-21-1960
PLUG, THREADED
3
NSS
4
6215-81-9710
SEAL, O-RING
5
600-411-1191
CARTRIDGE, CORROSION RESISTOR
6
600-411-9000
COVER
7
6745-71-1130
WASHER, SEALING
8
6745-71-6130
CONNECTION, ADAPTER
9
6745-71-6160
ADAPTER, CORROSION RESISTOR
10
6754-71-6330
ADAPTER, FILTER HEAD
11
6745-71-6150
HEAD, FUEL FILTER
12
6754-71-6140
FILTER, FUEL
13
6732-22-3110
14
6731-61-4250
15
6745-71-6230
BRACE, FILTER
Выбрано товаров: 0