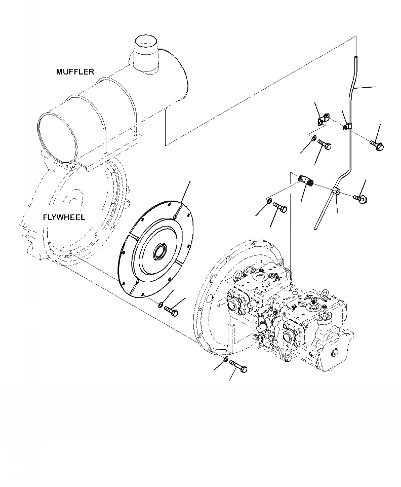
Запчасти Komatsu PC300LL-7E0 B9999-A ДРЕНАЖ ГЛУШИТЕЛЯ И ДЕМПФЕР DISK КОМПОНЕНТЫ ДВИГАТЕЛЯ

Схема запчастей Komatsu PC300LL-7E0 - B9999-A ДРЕНАЖ ГЛУШИТЕЛЯ И ДЕМПФЕР DISK КОМПОНЕНТЫ ДВИГАТЕЛЯ
4
7
5
6
12
11
1
6
8
5
12
11
3
2
10
9
FIT
1:1
100%

Артикул

Название

Примечание

Количество

1

207-01-71310

DAMPER

2

01010-81225

BOLT

3

01643-31232

WASHER

4

207-01-75360

TUBE, MUFFLER DRAIN

5

6991-11-5990

CLAMP

6

01435-01016

BOLT

7

6745-11-8260

BRACKET

8

6745-11-8270

BRACKET

9

01010-81240

BOLT

10

01643-31232

WASHER

11

01010-81245

BOLT

12

01643-31232

WASHER

Выбрано товаров: 12