Качественные детали и логистика
Оригинальные и аналоговые запчасти с доставкой по России, Казахстану и Беларуси
©2022 PartSell ООО "Система" ИНН 2463123282 ОГРН 1212400004838
Центральный офис: г. Красноярск, Академика Киренского, д.87, пом.4
Телефон: 8 (800) 777-65-74 Email: zakaz@partsell.ru
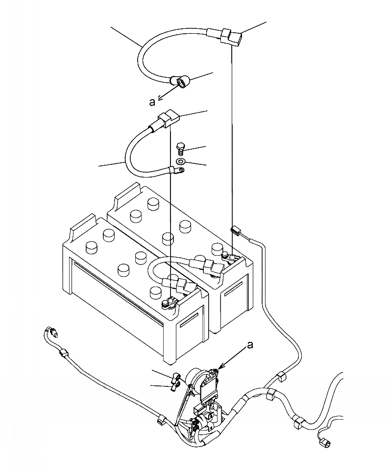
E-7H АККУМУЛЯТОРН. ОТСЕК ЭЛЕКТРОПРОВОДКА КАБЕЛЬ
№
Артикул
Название
Примечание
Количество
1
08028-44040
CABLE
2
08028-CD065
3
08038-22511
CAP
4
08038-42511
5
08038-00035
6
01010-81025
BOLT
7
01643-31032
WASHER
8
08038-00519
Выбрано товаров: 0