Запчасти Komatsu PC300LL-7L ГИДРОЛИНИЯ (ВОЗВРАТ. ТРУБЫ) ГИДРАВЛИКА

Схема запчастей Komatsu PC300LL-7L - ГИДРОЛИНИЯ (ВОЗВРАТ. ТРУБЫ) ГИДРАВЛИКА
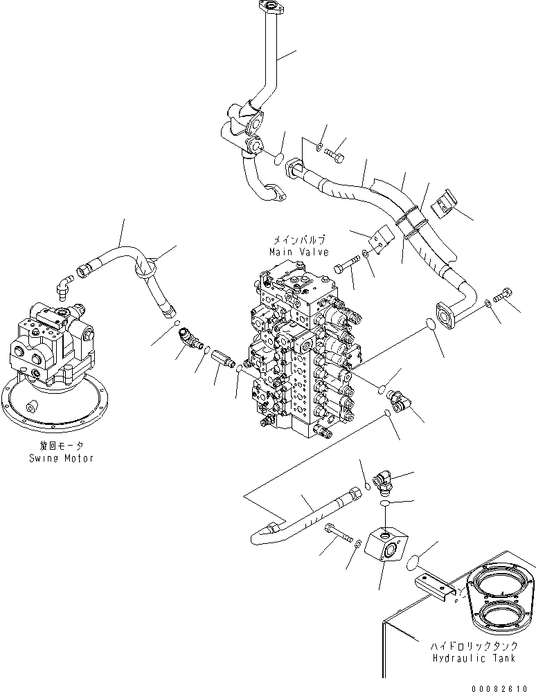
1
2
2
3
3
4
4
5
6
6
7
8
9
10
11
12
13
14
15
16
17
18
19
20
21
21
22
22
23
23
24
25
26
FIT
1:1
100%

Артикул

Название

Примечание

Количество

1

207-62-71480

HOSE,1010MM

2

07000-13048

O-RING

3

01010-81240

BOLT

4

01643-31232

WASHER

5

07094-31228

CLAMP

6

07095-01245

CUSHION

7

207-62-71490

CLAMP

8

01010-81270

BOLT

9

01643-31232

WASHER

10

207-62-A1810

HOSE¤ 1050MM

11

08034-20536

BAND

12

203-62-61410

JOINT

13

07002-12434

O-RING

14

207-62-72131

ELBOW

15

207-62-64740

O-RING

16

07002-12434

O-RING

17

207-62-71340

BLOCK

18

07000-12060

O-RING

19

01011-81205

BOLT

20

01643-31232

WASHER

21

21W-62-42640

ELBOW

22

207-62-64740

O-RING

23

07002-13334

O-RING

24

207-62-71390

HOSE,560MM

25

207-03-71630

TUBE,(SEE FIG. C0100-01A0)

26

207-62-71471

HOSE,(SEE FIG. H0320-01A0)

Выбрано товаров: 0