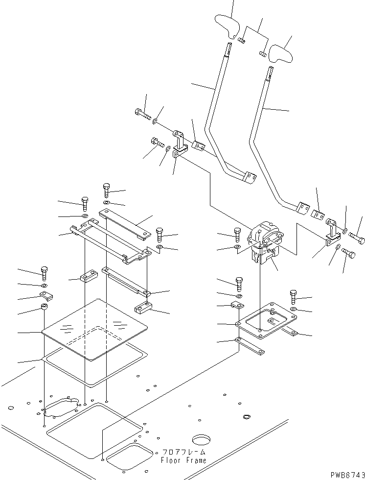
Запчасти Komatsu PC300SC-6 ПОЛ (РЫЧАН УПРАВЛ-Я ХОДОМ) КАБИНА ОПЕРАТОРА И СИСТЕМА УПРАВЛЕНИЯ

Схема запчастей Komatsu PC300SC-6 - ПОЛ (РЫЧАН УПРАВЛ-Я ХОДОМ) КАБИНА ОПЕРАТОРА И СИСТЕМА УПРАВЛЕНИЯ
1
1
2
2
3
3
4
5
6
7
8
9
10
11
12
13
13
14
14
15
15
16
17
18
19
20
21
22
22
22
23
23
23
24
24
25
26
27
27
28
28
29
29
30
30
FIT
1:1
100%

Артикул

Название

Примечание

Количество

1

203-43-61310

LEVER

2

01010-81030

BOLT

|2

01010-51030

BOLT

3

01643-31032

WASHER

4

KV-F230-2620

PLATE

5

702-16-01430

PILOT VALVE,(SEE FIG.Y1670-01A0A)

|5

702-16-01220

PILOT VALVE,(SEE FIG.Y1670-01A0)

6

01010-81025

BOLT

|6

01010-51025

BOLT

7

01643-31032

WASHER

8

KV-F230-2710

LEVER,L.H.

9

KV-F230-2720

LEVER,R.H.

10

20Y-43-21231

KNOB,L.H.

11

20Y-43-21241

KNOB,R.H.

12

01023-20416

SCREW

13

20Y-43-21280

PLATE

14

01010-D1025

BOLT

15

01643-71032

WASHER

16

01010-D1025

BOLT

17

01643-71032

WASHER

18

KV-F230-2630

GLASS

19

KV-F230-2660

SEAT

20

KV-F230-2650

PLATE

21

KV-F230-2680

PLATE

22

01010-D1035

BOLT

23

01643-71032

WASHER

24

KV-F230-2670

PLATE

25

205-965-1310

SPACER

26

KV-F230-2640

BRACKET

27

KV-F230-2690

PLATE

28

01010-D1040

BOLT

29

01643-71032

WASHER

30

KV-F230-3110

PLATE

Выбрано товаров: 33