Запчасти Komatsu PC308USLC-3 ОХЛАЖД-Е (ТРУБКИ ПОСЛЕОХЛАДИТЕЛЯ)(№-) СИСТЕМА ОХЛАЖДЕНИЯ

Схема запчастей Komatsu PC308USLC-3 - ОХЛАЖД-Е (ТРУБКИ ПОСЛЕОХЛАДИТЕЛЯ)(№-) СИСТЕМА ОХЛАЖДЕНИЯ
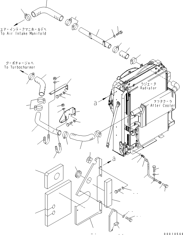
1
2
3
4
5
6
7
8
9
10
11
12
13
13
13
13
13
13
13
13
14
14
15
15
16
16
17
18
19
20
21
22
23
24
25
26
27
28
29
30
31
32
33
34
35
36
37
38
FIT
1:1
100%

Артикул

Название

Примечание

Количество

1

6738-11-4840

HOSE

2

22U-03-81710

TUBE

3

22U-03-81420

HOSE

4

6738-11-4720

HOSE

5

22U-03-81720

TUBE

6

22U-03-81450

HOSE

7

22U-01-81350

BRACKET

8

01010-81025

BOLT

9

01643-31032

WASHER

10

22U-01-81360

BRACKET

11

01010-81225

BOLT

12

01643-31232

WASHER

13

07299-00070

CLAMP

14

07283-37060

CLIP

15

01597-01009

NUT

16

01643-31032

WASHER

17

01010-81230

BOLT

18

01643-31232

WASHER

19

11Y-62-12240

ELBOW

20

07002-11423

O-RING

21

02896-11008

O-RING

22

02764-002A5

HOSE

23

07376-70210

PLUG

24

02896-11008

O-RING

25

04434-51312

CLIP

26

01010-81225

BOLT

27

01643-31232

WASHER

28

22U-03-81730

PLATE

29

22U-03-81750

SHEET

30

22U-03-81760

SHEET

31

22U-03-81770

SHEET

32

22U-03-81780

SHEET

33

22U-03-21711

GROMMET

34

01010-81225

BOLT

35

01643-31232

WASHER

36

22U-03-81790

PLATE

37

01010-81225

BOLT

38

01643-31232

WASHER

Выбрано товаров: 38