Качественные детали и логистика
Оригинальные и аналоговые запчасти с доставкой по России, Казахстану и Беларуси
©2022 PartSell ООО "Система" ИНН 2463123282 ОГРН 1212400004838
Центральный офис: г. Красноярск, Академика Киренского, д.87, пом.4
Телефон: 8 (800) 777-65-74 Email: zakaz@partsell.ru
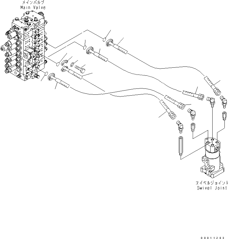
ЛИНИЯ ХОДА(№-)
№
Артикул
Название
Примечание
Количество
1
22U-62-85840
HOSE
2
21T-09-11460
O-RING
3
22U-62-85780
4
5
22U-62-24370
6
7
22U-62-85830
8
9
07371-31049
FLANGE
10
07372-21035
BOLT
11
01643-51032
WASHER
Выбрано товаров: 0