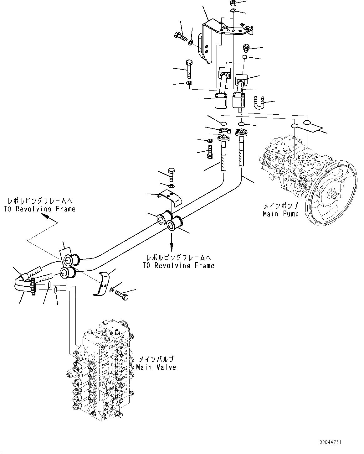
Запчасти Komatsu PC308USLC-3E0 ПОДАЮЩ. ТРУБЫ (№-) ПОДАЮЩ. ТРУБЫ

Схема запчастей Komatsu PC308USLC-3E0 - ПОДАЮЩ. ТРУБЫ (№-) ПОДАЮЩ. ТРУБЫ
11
8
9
10
15
15
16
18
17
10
14
1
22
11
7
6
5
4
3
20
13
21
19
24
23
12
8
2
16
18
15
17
9
FIT
1:1
100%

Артикул

Название

Примечание

Количество

1

22U-62-21121

Tube

2

22U-62-21131

Tube

3

01011-81000

Bolt

4

01643-51032

Washer

5

07000-13035

O-ring

6

07040-11007

Plug

7

07002-11023

O-ring

8

22U-62-31350

Hose

9

07000-13032

O-ring

10

22U-62-85540

Hose

11

07000-13032

O-ring

12

07371-31049

Flange, Split

13

07372-21035

Bolt

14

01643-51032

Washer

15

22U-62-22530

Cushion

16

22U-62-26150

Clamp

17

01010-81290

Bolt

18

01643-31232

Washer

19

22U-62-29771

Bracket

20

01010-81230

Bolt

21

01643-31232

Washer

22

07283-33442

Clip, Pipe

23

01597-01009

Nut

24

01643-31032

Washer

Выбрано товаров: 24