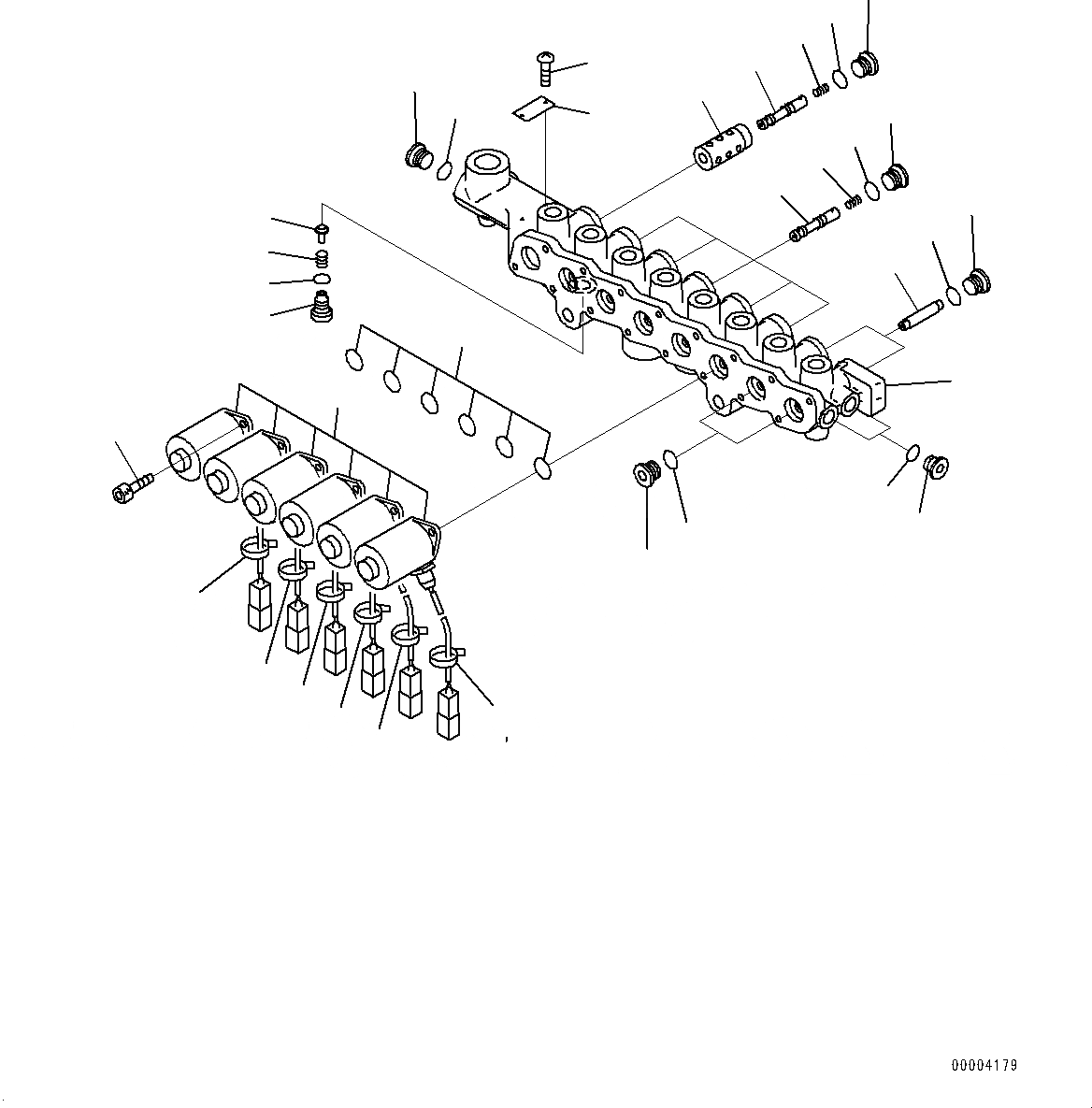
Запчасти Komatsu PC308USLC-3E0 СОЛЕНОИДНЫЙ КЛАПАН ТРУБЫ, СОЛЕНОИДНЫЙ КЛАПАН (№-) СОЛЕНОИДНЫЙ КЛАПАН ТРУБЫ

Схема запчастей Komatsu PC308USLC-3E0 - СОЛЕНОИДНЫЙ КЛАПАН ТРУБЫ, СОЛЕНОИДНЫЙ КЛАПАН (№-) СОЛЕНОИДНЫЙ КЛАПАН ТРУБЫ
3
26
4
16
10
11
9
8
7
6
5
2
15
14
13
12
4
16
20
24
22
21
16
4
17
18
1
19
16
4
4
17
23
25
16
FIT
1:1
100%

Артикул

Название

Примечание

Количество

|$0

20Y-60-31212

Valve Assembly

1

Block

2

20Y-60-32121

Solenoid Assembly

3

07000-12016

O-ring

4

07000-12011

O-ring

5

NY07207-11700

Tube

6

NY07529-10200

Tube

7

NY07529-10300

Tube

8

NY07529-10400

Tube

9

NY07529-10500

Tube

10

NY07529-10600

Tube

11

NY89103-00090

Band

12

NY05062-1170A

Plunger

13

NY05062-11800

Spring

14

07000-11010

O-ring

15

NY06277-1320A

Plug

16

NY80000-02200

Plug

17

NY06339-10200

Spring

18

NY07493-10200

Spool

19

NY81416-05012

Bolt, Hexagon Socket Head

20

NY09000-11400

Plate

21

NY80000-02100

Plug

22

07000-11008

O-ring

23

NY16207-10300

Spool

24

NY84110-00248

Screw

25

NY16207-10200

Sleeve

26

NY16207-10400

Spool

Выбрано товаров: 27