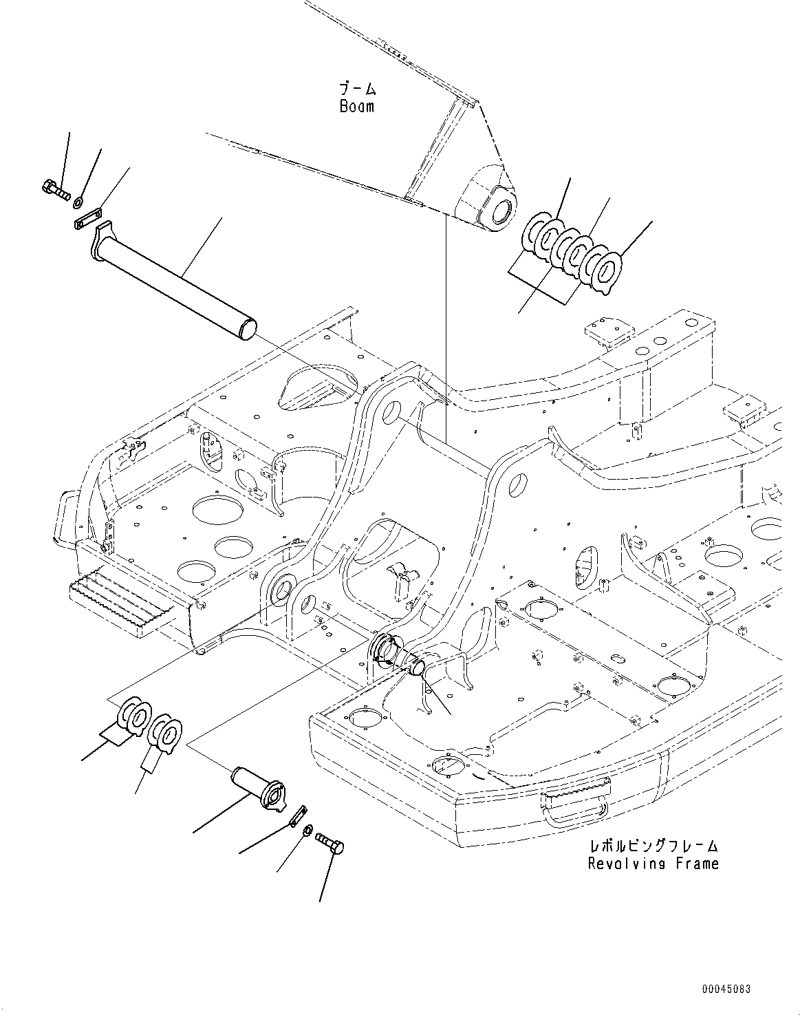
Запчасти Komatsu PC308USLC-3E0 ПАЛЕЦ СТРЕЛЫ(№-) СТРЕЛА НИЖН. ПАЛЕЦ

Схема запчастей Komatsu PC308USLC-3E0 - ПАЛЕЦ СТРЕЛЫ(№-) СТРЕЛА НИЖН. ПАЛЕЦ
14
9
13
1
9
12
10
11
2
3
4
5
8
7
6
FIT
1:1
100%

Артикул

Название

Примечание

Количество

1

22U-70-81620

Pin

2

20Y-70-11190

Plate

3

01010-81640

Bolt

4

01643-31645

Washer

5

206-70-71441

Spacer, T=2.0mm

6

206-70-71431

Spacer, T=2.5mm

7

206-70-71491

Spacer, T=3.0mm

8

206-70-71571

Spacer, T=3.5mm

9

205-70-65750

Pin

10

205-70-66580

Plate

11

01010-81235

Bolt

12

01643-31232

Washer

13

20Y-70-31431

Spacer, T=1.0mm

14

206-70-71451

Spacer, T=2.0mm

Выбрано товаров: 14