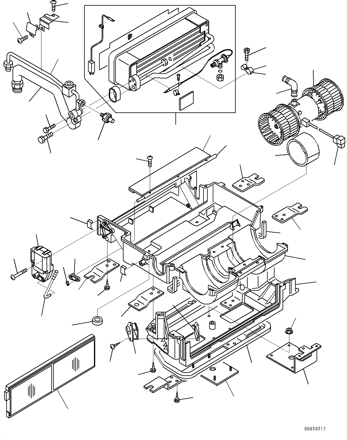
Запчасти Komatsu PC308USLC-3E0 ОСНОВН. КОНСТРУКЦИЯ, БЛОК КОНДИЦИОНЕРА (/) (№-) ОСНОВН. КОНСТРУКЦИЯ

Схема запчастей Komatsu PC308USLC-3E0 - ОСНОВН. КОНСТРУКЦИЯ, БЛОК КОНДИЦИОНЕРА (/) (№-) ОСНОВН. КОНСТРУКЦИЯ
16
26
15
16
14
10
9
13
12
19
20
32
2
31
17
40
11
39
5
8
6
7
18
1
3
43
41
37
42
34
21
22
34
4
30
23
36
33
38
29
25
24
28
27
35
32
FIT
1:1
100%

Артикул

Название

Примечание

Количество

|$0

22U-979-1730

Air Conditioner Assembly

|$1

DK534138-6720

Case Assembly

1

DK534136-9301

Case

2

DK534189-9100

Lining

3

DK534461-8902

Cover

4

22B-979-1730

Filter

4

Filter

4

Lining

5

DK503700-4770

Evaporator Assembly

6

DK580534-1500

Clip

7

DK580534-1600

Clip

8

DK012114-1240

Screw

9

DK534057-3520

Pipe

9

DK535237-9220

Pipe Assembly

10

DK535237-9120

Pipe

11

DK582532-0700

Switch

12

DK020058-3040

Bolt

13

DK020046-3040

Bolt

14

DK580534-2000

Clip

15

DK580534-1900

Clip

16

DK592022-3700

Screw

17

DK502725-1730

Fan

18

DK534510-5200

Hose

19

DK592405-1700

Isolator

20

DK536021-5200

Wiring Diagram

21

DK582571-9300

Resistor

22

DK012514-1640

Screw

23

DK523100-0700

Plate

24

DK502752-3250

Motor

25

DK580140-0300

Screw

26

DK534270-7920

Door

27

DK534470-9200

Lever

28

DK592055-0900

Clip

29

DK536160-2100

Rod

30

DK534104-4300

Bracket

31

DK534104-4400

Bracket

32

DK534104-5000

Bracket

33

DK592022-3700

Screw

34

DK012514-1640

Screw

35

DK580521-7700

Clip

36

DK592024-1800

Clip

37

DK534190-0300

Lining

38

DK534234-6300

Seal

39

DK012153-0640

Screw

40

DK534280-1500

Shaft

41

DK534104-7300

Bracket

42

DK534104-7500

Bracket

43

DK029200-6240

Nut

Выбрано товаров: 48