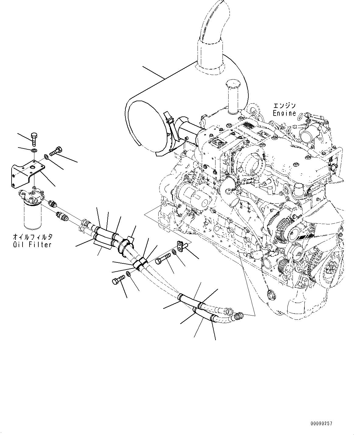
Запчасти Komatsu PC308USLC-3E0 КРЕПЛЕНИЕ ДВИГАТЕЛЯ, ФИЛЬТР. ASSEMBLY (№-) КРЕПЛЕНИЕ ДВИГАТЕЛЯ

Схема запчастей Komatsu PC308USLC-3E0 - КРЕПЛЕНИЕ ДВИГАТЕЛЯ, ФИЛЬТР. ASSEMBLY (№-) КРЕПЛЕНИЕ ДВИГАТЕЛЯ
14
14
14
11
7
6
14
11
12
11
7
6
5
4
3
2
1
10
8
9
13
13
14
14
14
14
15
FIT
1:1
100%

Артикул

Название

Примечание

Количество

1

22U-01-27210

Bracket

2

01010-81225

Bolt

3

01643-31232

Washer

4

01010-80825

Bolt

5

01643-30823

Washer

6

198-06-53630

Cushion

7

04434-53412

Clip

8

01010-81225

Bolt

9

01643-31232

Washer

10

22U-01-27390

Bracket

11

01010-81280

Bolt

12

01643-31232

Washer

13

20Y-01-41250

Cover

14

08034-20536

Band

15

20Y-01-41261

Cover

Выбрано товаров: 15