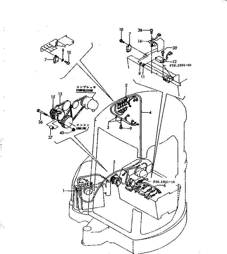
Запчасти Komatsu PC30FR-1 ЭЛЕКТРИКА (ДЛЯ ОХЛАДИТЕЛЬ СПЕЦ-Я.) КОМПОНЕНТЫ ДВИГАТЕЛЯ И ЭЛЕКТРИКА

Схема запчастей Komatsu PC30FR-1 - ЭЛЕКТРИКА (ДЛЯ ОХЛАДИТЕЛЬ СПЕЦ-Я.) КОМПОНЕНТЫ ДВИГАТЕЛЯ И ЭЛЕКТРИКА
FIT
1:1
100%

Артикул

Название

Примечание

Количество

1

YM933168-55770

BAND

2

YM172126-11510

BAND

3

YM172122-16590

BAND

4

YM172164-16701

WIRING HARNESS,WIRE

5

YM172175-16711

HARNESS,WIRE

|5

YM172175-16710

HARNESS

6

YM172175-16721

HARNESS

|6

YM172175-16720

HARNESS,WIRE

7

YM119247-77100

RELAY,SAFETY

8

YM22137-060000

WASHER

9

YM22857-400120

SCREW

10

YM26022-060122

SCREW

11

YM26716-060002

NUT

12

YM172151-17100

LAMP,CHECK

13

YM25132-003800

V-BELT

|13

YM121492-42290

V-BELT

14

YM129136-77100

RELAY,SAFETY

15

YM119836-77200

ALTERNATOR A. (40A)

36

YM129136-77250

BOLT

37

YM119820-77340

SPACER

38

YM26022-060122

SCREW

39

YM26022-060202

SCREW

40

YM26366-080002

NUT

Выбрано товаров: 23