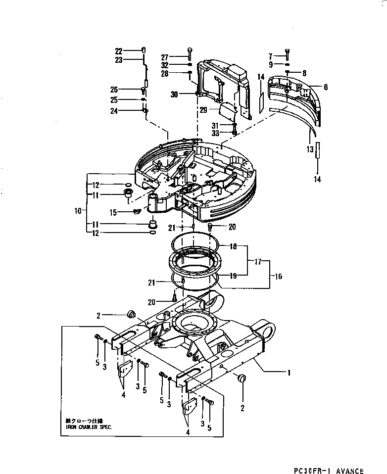
Запчасти Komatsu PC30FR-1 ГУСЕНИЧНАЯ РАМА¤ПОВОРОТН. КРУГ ¤ОСНОВНАЯ РАМА И ПРОТИВОВЕС(№-) ПОВОРОТН.¤ КОНЕЧНАЯ ПЕРЕДАЧА И ХОДОВАЯ

Схема запчастей Komatsu PC30FR-1 - ГУСЕНИЧНАЯ РАМА¤ПОВОРОТН. КРУГ ¤ОСНОВНАЯ РАМА И ПРОТИВОВЕС(№-) ПОВОРОТН.¤ КОНЕЧНАЯ ПЕРЕДАЧА И ХОДОВАЯ
FIT
1:1
100%

Артикул

Название

Примечание

Количество

1

YM17217550102K

FRAME,LOWER

|1

YM17217550101K

FRAME

|1

YM17217550100K

FRAME,LOWER

2

YM172141-50890

GROMMET

3

YM172730-05250

WASHER

4

YM172141-50901

GUARD,SHOE

5

YM26013-120452

BOLT

6

YM17217553300K

WEIGHT,COUNTER

7

YM172165-53480

BOLT

8

YM172165-53500

WASHER

9

YM22217-160000

WASHER

10

YM172975-54101

FRAME ASS'Y,TURN

|10

YM172975-54100

FRAME ASS'Y

11

YM172168-54750

BUSHING

12

YM172168-54760

SEAL

13

YM172175-54800

SEAL

14

YM172175-54810

SEAL

15

YM24761-040000

FITTING,GREASE

16

YM172142-57601

BEARING,SWING

17

YM172142-57610

SEAL SET

18

YM172122-57630

SEAL,UPPER

19

YM172122-57640

SEAL,LOWER

20

YM172122-57610

BOLT

21

YM172122-57620

PIN

22

YM172116-46630

KNOB,LOCK LEVER

23

YM172175-58801

PIN,LOCK

|23

YM172175-58800

PIN,LOCK

24

YM172175-58820

BRACKET

25

YM22217-100000

WASHER

26

YM26116-100202

BOLT

27

YM26116-160602

BOLT

28

YM172165-53500

WASHER

29

YM172175-68180

BRACKET

30

YM17217568200K

BRACKET

31

YM22157-100000

WASHER

32

YM22217-160000

WASHER

33

YM26013-100302

BOLT

Выбрано товаров: 37