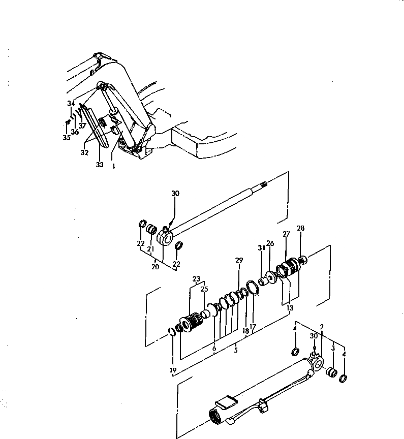
Запчасти Komatsu PC30FR-1 ЦИЛИНДР СТРЕЛЫ(ДЛЯ НАВЕСА) РАБОЧЕЕ ОБОРУДОВАНИЕ

Схема запчастей Komatsu PC30FR-1 - ЦИЛИНДР СТРЕЛЫ(ДЛЯ НАВЕСА) РАБОЧЕЕ ОБОРУДОВАНИЕ
FIT
1:1
100%

Артикул

Название

Примечание

Количество

1

YM17217572100K

CYLINDER,BOOM

2

YM17217572110K

TUBE

3

YM172168-72400

BUSHING

4

YM172168-81410

SEAL,DUST

5

YM172142-99340

CYLINDER KIT,BOOM

6

YM172142-72900

SEAL SET,HEAD

13

YM172142-72911

SEAL SET,PISTON

17

YM172142-72260

WASHER

18

YM22252-000561

CLIP

19

YM933111-26600

RING,SPRING

20

YM172175-72180

ROD ASS'Y,BOOM

21

YM172168-72400

BUSHING

22

YM172168-81410

SEAL,DUST

23

YM172142-72210

HEAD

25

YM933135-14600

BUSHING,ROD

26

YM172142-72232

PISTON

27

YM172142-72242

PISTON

28

YM172141-72250

U-NUT

29

YM172137-72730

RING,CUSHION

30

YM24761-020000

FITTING,GREASE

31

YM933127-27102

PLUNGER,CUSHION

32

YM172162-61770

GUIDE,SLIDE

33

YM17214272341K

COVER

34

YM22217-100000

WASHER

35

YM26116-100162

BOLT

36

YM933147-03400

WASHER

37

YM933168-14170

SPRING

Выбрано товаров: 27