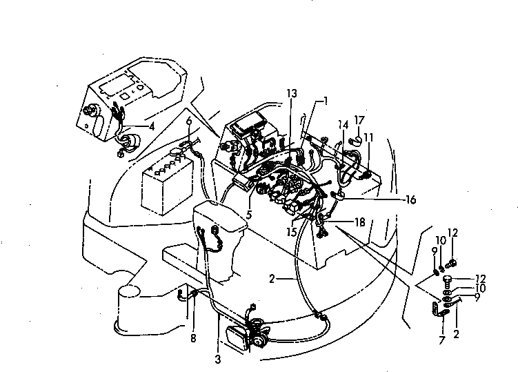
Запчасти Komatsu PC30FR-1 ЭЛЕКТРИКА (ЭЛЕКТРОПРОВОДКА) КОМПОНЕНТЫ ДВИГАТЕЛЯ И ЭЛЕКТРИКА

Схема запчастей Komatsu PC30FR-1 - ЭЛЕКТРИКА (ЭЛЕКТРОПРОВОДКА) КОМПОНЕНТЫ ДВИГАТЕЛЯ И ЭЛЕКТРИКА
FIT
1:1
100%

Артикул

Название

Примечание

Количество

1

YM172175-16501

HARNESS

|1

YM172175-16500

HARNESS

2

YM172175-16513

HARNESS

|2

YM172175-16512

HARNESS

3

YM172175-16521

HARNESS

4

YM172165-16530

HARNESS

5

YM172175-16532

HARNESS

|5

YM172175-16531

HARNESS,WIRE

6

YM172183-16540

LINK,FUSIBLE

7

YM933171-15801

WIRE,EARTH

8

YM1A1380-58050

GROMMET

9

YM22137-120000

WASHER

10

YM22217-120000

WASHER,SPRING

11

YM26013-080162

BOLT

12

YM26116-120162

BOLT

13

YM933168-55770

BAND

14

YM933168-55770

BAND

15

YM933168-55770

BAND

16

YM172126-16540

CLAMP

17

YM194440-51620

CLAMP

18

YM194250-51660

BAND

Выбрано товаров: 21