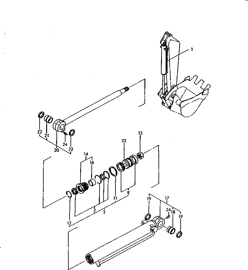
Запчасти Komatsu PC30FR-1 ЦИЛИНДР КОВША(№-) РАБОЧЕЕ ОБОРУДОВАНИЕ

Схема запчастей Komatsu PC30FR-1 - ЦИЛИНДР КОВША(№-) РАБОЧЕЕ ОБОРУДОВАНИЕ
FIT
1:1
100%

Артикул

Название

Примечание

Количество

1

YM17214872711K

CYLINDER,BUCKET

2

YM172142-99420

CYLINDER KIT,BUCKET

3

YM172142-72920

SEAL SET,HEAD

8

YM172148-72940

SEAL SET,PISTON

11

YM172142-72560

WASHER,LOCK

12

YM933111-26600

RING,SPRING

13

YM172141-72250

U-NUT

14

YM172142-72510

HEAD

16

YM933135-14600

BUSHING,ROD

17

YM17214872721K

TUBE ASS'Y

18

YM172168-72240

BUSHING

19

YM172168-81270

SEAL,DUST

20

YM172148-72771

ROD

21

YM172168-72240

BUSHING

22

YM172168-81270

SEAL,DUST

23

YM172148-72790

PISTON

24

YM24761-040000

FITTING,GREASE

Выбрано товаров: 17