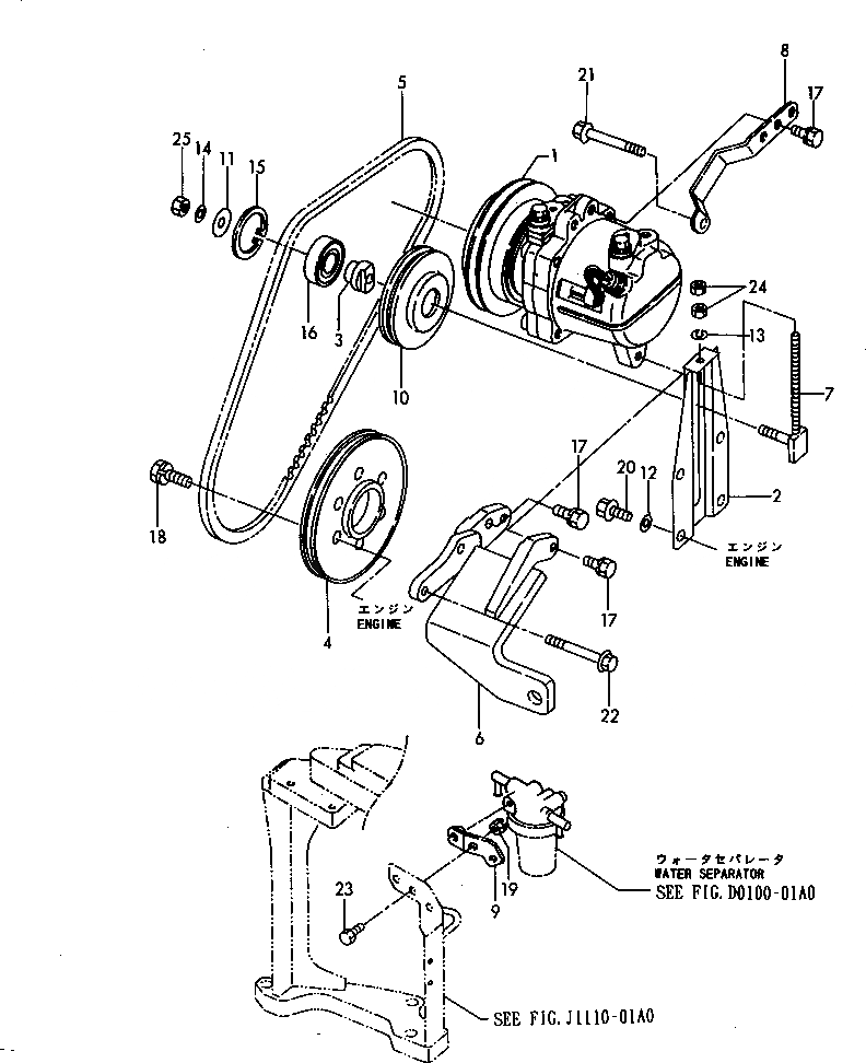
Запчасти Komatsu PC30FR-2 КОМПОНЕНТЫ ДВИГАТЕЛЯ (КОМПРЕССОР ДЛЯ ОХЛАДИТЕЛЬ) (КАБИНА) КОМПОНЕНТЫ ДВИГАТЕЛЯ

Схема запчастей Komatsu PC30FR-2 - КОМПОНЕНТЫ ДВИГАТЕЛЯ (КОМПРЕССОР ДЛЯ ОХЛАДИТЕЛЬ) (КАБИНА) КОМПОНЕНТЫ ДВИГАТЕЛЯ
FIT
1:1
100%

Артикул

Название

Примечание

Количество

1

YM172162-18020

COMPRESSOR

2

YM172176-18100

BRACKET ASS'Y

3

YM172165-18670

BOSS

4

YM172165-18680

PULLEY

5

YM172165-18690

V-BELT

6

YM172175-18700

BRACKET

7

YM172175-18730

ADJUSTER

8

YM172165-18751

PLATE

9

YM172175-18800

STAY

10

YM172165-18930

PULLEY,TENSION

11

YM1A1040-43900

WASHER

12

YM22190-080002

SEAL,RING

13

YM22217-060000

WASHER

14

YM22217-080000

WASHER

15

YM22252-000400

CLIP

16

YM24104-062034

BEARING

17

YM26013-080252

BOLT

18

YM26013-100252

BOLT

19

YM26051-080002

NUT

20

YM26106-080202

BOLT

21

YM26106-080552

BOLT

22

YM26106-080552

BOLT

23

YM26116-080202

BOLT

24

YM26716-060002

NUT

25

YM26716-080002

NUT

Выбрано товаров: 25