Запчасти Komatsu PC30FR-2 ВОЗДУХОВОДЫ COVER ЧАСТИ КОРПУСА

Схема запчастей Komatsu PC30FR-2 - ВОЗДУХОВОДЫ COVER ЧАСТИ КОРПУСА
FIT
1:1
100%

Артикул

Название

Примечание

Количество

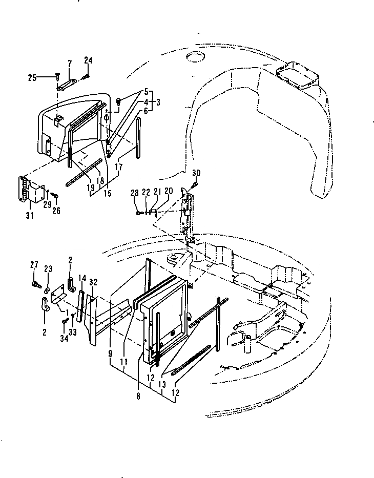
1

YM172422-65630

COVER,HARNESS

2

YM172175-65640

MOLDING

3

YM172975-65650

CYLINDER KIT

4

YM172175-65660

PLATE

5

YM172964-65540

KEY,CYLINDER

6

YM26347-100002

U-NUT

7

YM172175-65690

ROCK

8

YM172422-65700

DUCT

9

YM172175-65680

SEAL

11

YM172175-65750

SEAL

12

YM172175-65770

SEAL

13

YM172175-65780

SEAL

14

YM172422-66150

SEAL

15

YM17242265800K

DUCT

17

YM172175-65970

SEAL

18

YM172164-66480

RUBBER,SEAL

19

YM172175-65870

SEAL

20

YM172175-65940

STAY

21

YM22137-080000

WASHER

22

YM22217-080000

WASHER

23

YM22217-080000

WASHER

24

YM22867-300080

SCREW

25

YM22867-300080

SCREW

26

YM26013-100202

BOLT

27

YM26116-080162

BOLT

28

YM26116-080202

BOLT

29

YM22157-100000

WASHER

30

YM26013-080162

BOLT

31

YM172175-65900

HINGE

32

YM172422-66110

COVER

33

YM22137-080000

WASHER

34

YM26013-080162

BOLT

Выбрано товаров: 32