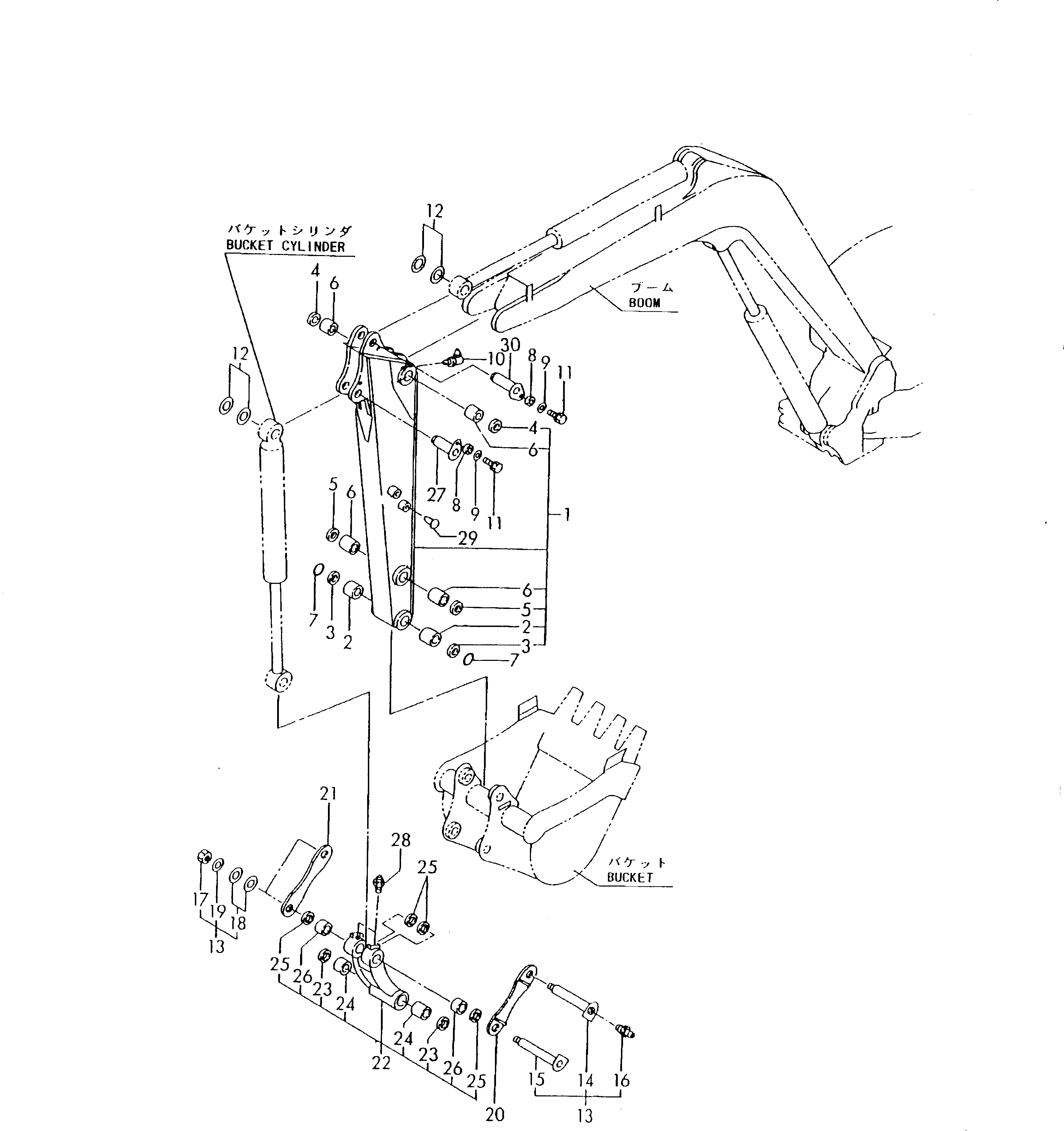
Запчасти Komatsu PC30FR-2 РУКОЯТЬ И СОЕДИНЕНИЕ КОВША РАБОЧЕЕ ОБОРУДОВАНИЕ

Схема запчастей Komatsu PC30FR-2 - РУКОЯТЬ И СОЕДИНЕНИЕ КОВША РАБОЧЕЕ ОБОРУДОВАНИЕ
FIT
1:1
100%

Артикул

Название

Примечание

Количество

1

YM172922-81200

ARM CMP(1220

2

YM172975-81230

BUSHING

3

YM172171-81280

SEAL

4

YM172168-81400

SEAL,DUST

5

YM172122-82290

SEAL,DUST

6

YM172116-82400

BUSHING

7

YM172142-81620

O-RING

8

YM172164-81670

SPACER

9

YM22157-120000

WASHER

10

YM24761-040000

FITTING,GREASE

11

YM26013-120302

BOLT

12

YM933171-29751

SHIM SET

13

YM17216481960K

PIN KIT,ARM PIN

14

YM17216481830K

PIN

15

YM17216481850K

PIN

16

YM24761-020000

FITTING,GREASE

17

YM933110-86600

NUT,NYLON

18

YM933171-29751

SHIM SET

19

YM933171-29760

WASHER

20

YM17216481810K

ARM,BUCKET

21

YM17216481820K

ARM,BUCKET

22

YM172975-84400

LINK

23

YM172171-81280

SEAL

24

YM172141-82270

BUSHING

25

YM172122-82290

SEAL,DUST

26

YM172168-84411

BUSHING

27

YM17216481500K

PIN

28

YM24761-020000

FITTING,GREASE

29

YM172183-81160

CLIP

30

YM172422-83400

PIN

Выбрано товаров: 0