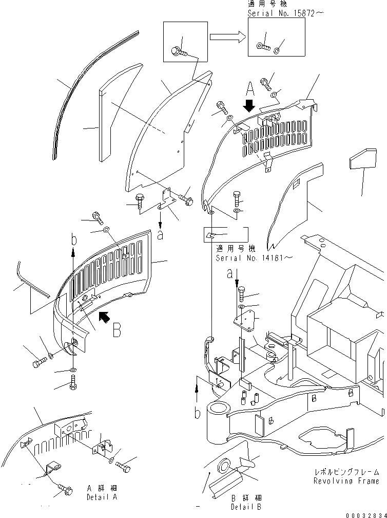
Запчасти Komatsu PC30MR-1 БОКОВ. КРЫШКА (ПРАВ.) (ДЛЯ НАВЕСА)(№9-) ЧАСТИ КОРПУСА

Схема запчастей Komatsu PC30MR-1 - БОКОВ. КРЫШКА (ПРАВ.) (ДЛЯ НАВЕСА)(№9-) ЧАСТИ КОРПУСА
1
2
2
3
4
5
5
5
6
6
6
7
7
8
9
10
11
12
13
14
15
15
16
17
17
17
18
19
20
21
22
22
22
23
24
25
26
27
28
FIT
1:1
100%

Артикул

Название

Примечание

Количество

|$1

22L-54-18400

COVER ASS'Y

1

COVER

2

21U-54-31560

COVER ASS'Y

2

20N-54-71440

HINGE

2

FF8733-54240

STOPPER

3

08037-02512

GROMMET

4

21U-54-31431

SEAL

5

01010-81020

BOLT

6

01643-31032

WASHER

|$11

22L-54-18502

COVER ASS'Y

7

COVER

8

21U-54-31523

SHEET

9

21U-54-31550

SHEET

10

22F-54-11950

BRACKET

11

01435-00816

BOLT

12

21U-54-31492

LOCK ASS'Y

13

01010-81016

BOLT

14

01643-31032

WASHER

15

01010-81020

BOLT

16

01010-81025

BOLT

17

01643-31032

WASHER

18

22L-54-11422

COVER

19

22L-54-11441

BRACKET

20

21U-54-31330

SHEET

21

21U-54-31473

SEAL

22

01435-01016

BOLT

22

01435-01016

BOLT

23

20Y-54-14170

SCREW

24

22L-54-15460

WASHER

25

22L-46-11480

PLATE

26

01010-81030

BOLT

27

01643-31032

WASHER

28

FF8733-54250

SHIM, 1.0MM

28

FF8733-54260

SHIM, 2.0MM

Выбрано товаров: 34