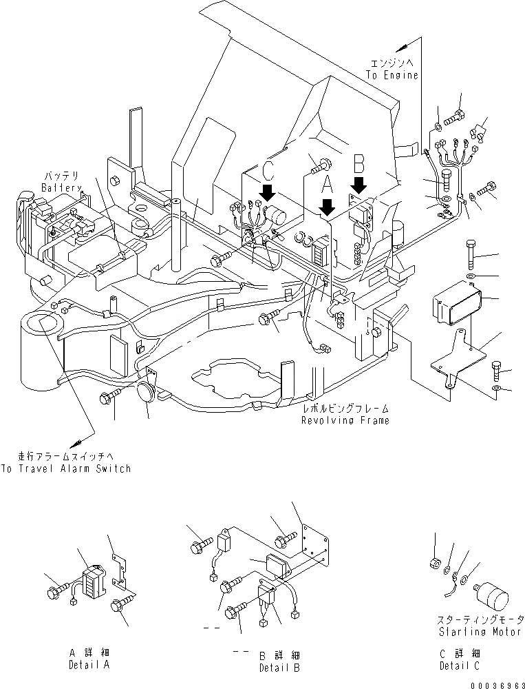
Запчасти Komatsu PC30MR-1 ДВИГАТЕЛЬ ЭЛЕКТРОПРОВОДКА (ДЛЯ СЕВ. АМЕРИКИ)(№88-) ЭЛЕКТРИКА

Схема запчастей Komatsu PC30MR-1 - ДВИГАТЕЛЬ ЭЛЕКТРОПРОВОДКА (ДЛЯ СЕВ. АМЕРИКИ)(№88-) ЭЛЕКТРИКА
1
2
3
4
4
5
6
7
8
8
8
9
9
9
10
11
11
12
12
13
14
15
16
17
18
19
20
21
22
22
22
22
23
24
25
26
27
28
29
30
FIT
1:1
100%

Артикул

Название

Примечание

Количество

1

21U-06-31350

WIRING HARNESS

2

21U-06-31391

WIRING HARNESS

3

22L-06-18230

WIRING HARNESS

3

22L-06-18240

PLATE

3

20P-06-71150

BOX,FUSE

3

201-06-61240

FUSE, 30A

3

22W-06-13160

FUSE, 20A

4

22L-06-18521

WIRING HARNESS

4

20T-06-81230

FUSIBLE LINK

4

08020-00000

DIODE

5

04434-51712

CLIP

6

01010-81020

BOLT

7

01643-31032

WASHER

8

08036-02514

CLIP

9

01435-01020

BOLT

10

20N-06-71430

WIRE

11

01010-81020

BOLT

12

01643-31032

WASHER

13

08034-20536

BAND

14

08160-61200

HORN

15

01435-00610

BOLT

16

08038-10519

CAP

17

22L-06-11210

BRACKET

18

01435-00816

BOLT

19

21U-06-31190

BRACKET

20

01435-00816

BOLT

21

01640-20408

WASHER

22

01435-00616

BOLT

23

01580-10504

NUT

24

01640-20508

WASHER

25

20P-06-81950

BUZZER

26

22L-06-18330

BOLT

27

01643-30823

WASHER

28

22L-06-18530

BRACKET

29

01010-81025

BOLT

30

01643-31032

WASHER

Выбрано товаров: 36