Запчасти Komatsu PC30MR-1 КОНДИЦ. ВОЗДУХА (/) КАБИНА ОПЕРАТОРА И СИСТЕМА УПРАВЛЕНИЯ

Схема запчастей Komatsu PC30MR-1 - КОНДИЦ. ВОЗДУХА (/) КАБИНА ОПЕРАТОРА И СИСТЕМА УПРАВЛЕНИЯ
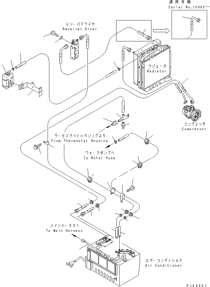
1
2
2
3
4
5
6
6
7
8
9
10
11
12
12
13
14
14
15
15
15
15
15
16
16
16
17
17
17
17
18
18
19
20
21
22
FIT
1:1
100%

Артикул

Название

Примечание

Количество

1

22L-979-1811

HOSE

2

22L-979-1822

HOSE

|2

22L-979-1821

HOSE

3

22L-979-1831

HOSE

4

22L-979-1841

HOSE

5

08036-02514

CLIP

6

08037-02512

GROMMET

7

01010-80625

BOLT

8

01641-20608

WASHER

9

20P-977-1150

BUSHING

10

203-977-4130

VALVE

11

FF7814-62180

NIPPLE

12

09483-00409

HOSE

|12

09483-00411

HOSE

13

04435-52108

CLIP

14

01435-00814

BOLT

15

07281-00259

CLAMP

16

202-981-1360

BUSHING

17

08034-00536

BAND

18

08037-02512

GROMMET

19

22L-979-1330

WIRING HARNESS

20

20M-03-71201

TANK,RESERVOIR

21

22L-979-1620

HOSE

22

21U-979-1410

BRACKET

Выбрано товаров: 24