Качественные детали и логистика
Оригинальные и аналоговые запчасти с доставкой по России, Казахстану и Беларуси
©2022 PartSell ООО "Система" ИНН 2463123282 ОГРН 1212400004838
Центральный офис: г. Красноярск, Академика Киренского, д.87, пом.4
Телефон: 8 (800) 777-65-74 Email: zakaz@partsell.ru
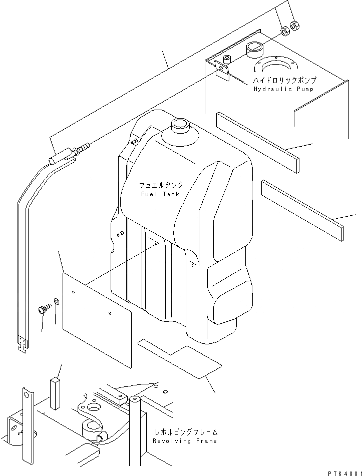
КРЕПЛЕНИЕ ТОПЛ. БАКА
№
Артикул
Название
Примечание
Количество
1
21U-04-31120
BAND
2
21U-04-31130
CUSHION
3
21U-04-31151
4
21U-04-31221
SHEET
5
01010-80610
BOLT
6
21U-43-25220
WASHER
7
21U-04-31230
Выбрано товаров: 0