Запчасти Komatsu PC30MR-1 SLIDE РУКОЯТЬ (2 РУКОЯТЬ) РАБОЧЕЕ ОБОРУДОВАНИЕ

Схема запчастей Komatsu PC30MR-1 - SLIDE РУКОЯТЬ (2 РУКОЯТЬ) РАБОЧЕЕ ОБОРУДОВАНИЕ
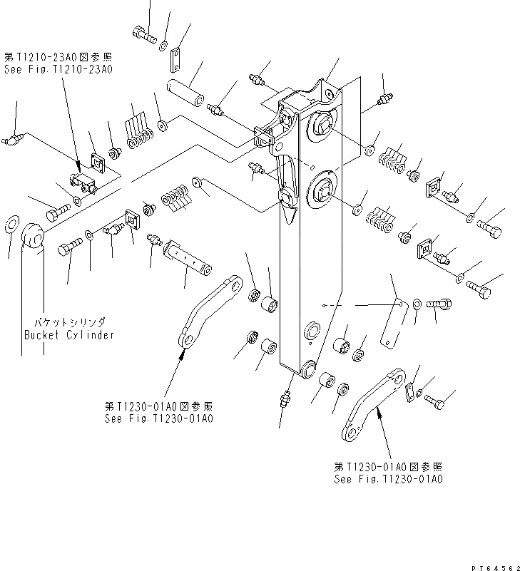
1
2
2
3
3
4
4
4
4
5
6
7
8
9
10
11
12
13
14
15
16
17
17
17
17
18
18
18
18
19
19
19
19
20
20
20
20
21
21
21
21
22
22
22
22
23
23
23
23
23
24
24
25
26
27
FIT
1:1
100%

Артикул

Название

Примечание

Количество

|1

22L-957-1201

ARM ASS'Y

1

22L-957-1211

ARM

2

20S-70-11270

BUSHING

3

20S-70-71880

BUSHING

4

07145-00035

SEAL,DUST

5

07020-00000

FITTING,GREASE

|6

22L-70-10150

PIN ASS'Y

6

22L-70-11231

PIN

7

07020-00000

FITTING,GREASE

8

20N-70-41270

SPACER¤ 1.0MM

9

04082-00212

LOCK

10

01010-81230

BOLT

11

01643-31232

WASHER

|12

21U-957-3300

PIN ASS'Y

12

21U-957-3310

PIN

13

07020-00000

FITTING,GREASE

14

20S-70-71270

PLATE

15

01010-81635

BOLT

16

01643-31645

WASHER

17

21U-70-25220

WASHER

18

21U-70-25230

SPRING

19

21U-70-25240

BOSS

20

21U-70-25250

PLATE

21

01010-81030

BOLT

22

01643-31032

WASHER

23

07020-00000

FITTING,GREASE

24

07020-00675

FITTING,GREASE

25

21U-70-25270

PLATE

26

01010-80825

BOLT

27

01643-30823

WASHER

Выбрано товаров: 30