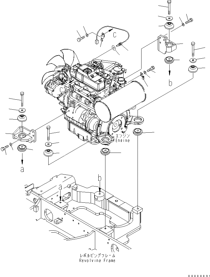
Запчасти Komatsu PC30MR-2-B КРЕПЛЕНИЕ ДВИГАТЕЛЯ КОМПОНЕНТЫ ДВИГАТЕЛЯ

Схема запчастей Komatsu PC30MR-2-B - КРЕПЛЕНИЕ ДВИГАТЕЛЯ КОМПОНЕНТЫ ДВИГАТЕЛЯ
1
2
3
3
4
4
5
5
5
5
5
5
5
5
6
6
6
6
7
7
7
7
8
9
10
11
12
13
14
15
FIT
1:1
100%

Артикул

Название

Примечание

Количество

1

22L-01-21112

BRACKET

2

22L-01-21122

BRACKET

3

01010-81025

BOLT

4

01643-31032

WASHER

5

21U-01-31211

CUSHION

6

21U-01-31221

WASHER

7

01011-81200

BOLT

8

YM129150-49360

GASKET

9

7861-93-3320

SENSOR,WATER TEMPERATURE

10

08193-20010

CLIP

11

01010-80816

BOLT

12

01643-30823

WASHER

13

08053-01510

CLIP

14

01010-81016

BOLT

15

01643-31032

WASHER

Выбрано товаров: 15