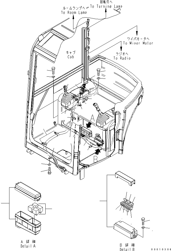
Запчасти Komatsu PC30MR-2-B КАБИНА (ЭЛЕКТР.) (НОВ. БЕЗОПАСН. KEY ТИП) КАБИНА ОПЕРАТОРА И СИСТЕМА УПРАВЛЕНИЯ

Схема запчастей Komatsu PC30MR-2-B - КАБИНА (ЭЛЕКТР.) (НОВ. БЕЗОПАСН. KEY ТИП) КАБИНА ОПЕРАТОРА И СИСТЕМА УПРАВЛЕНИЯ
1
2
3
4
5
5
5
6
6
7
7
7
8
9
10
10
10
10
10
11
12
13
14
15
16
17
18
19
20
FIT
1:1
100%

Артикул

Название

Примечание

Количество

1

22M-06-24312

WIRING HARNESS

2

421-06-36130

BOX,RELAY

3

20U-06-42520

RELAY

4

08044-01000

FUSE BOX

|4

08044-00010

TERMINAL

5

08041-01000

FUSE¤ 10A

6

08041-03000

FUSE¤ 30A

7

08041-02000

FUSE¤ 20A

8

01010-80625

BOLT

9

01643-30623

WASHER

10

04434-52711

CLIP

11

01010-81020

BOLT

12

01643-31032

WASHER

13

08053-01510

CLIP

14

01010-81020

BOLT

15

01643-31032

WASHER

16

21Y-06-11260

BUZZER ASS'Y

17

21Y-06-11270

PLATE

18

01010-80612

BOLT

19

01643-30623

WASHER

20

22B-06-11910

SWITCH,STARTING

Выбрано товаров: 0