Запчасти Komatsu PC30MR-2-C РУКОЯТЬ CRANE (ПРОВОДКА И КОНТРОЛЛЕР) (НАВЕС) СПЕЦ. ОПЦИИ

Схема запчастей Komatsu PC30MR-2-C - РУКОЯТЬ CRANE (ПРОВОДКА И КОНТРОЛЛЕР) (НАВЕС) СПЕЦ. ОПЦИИ
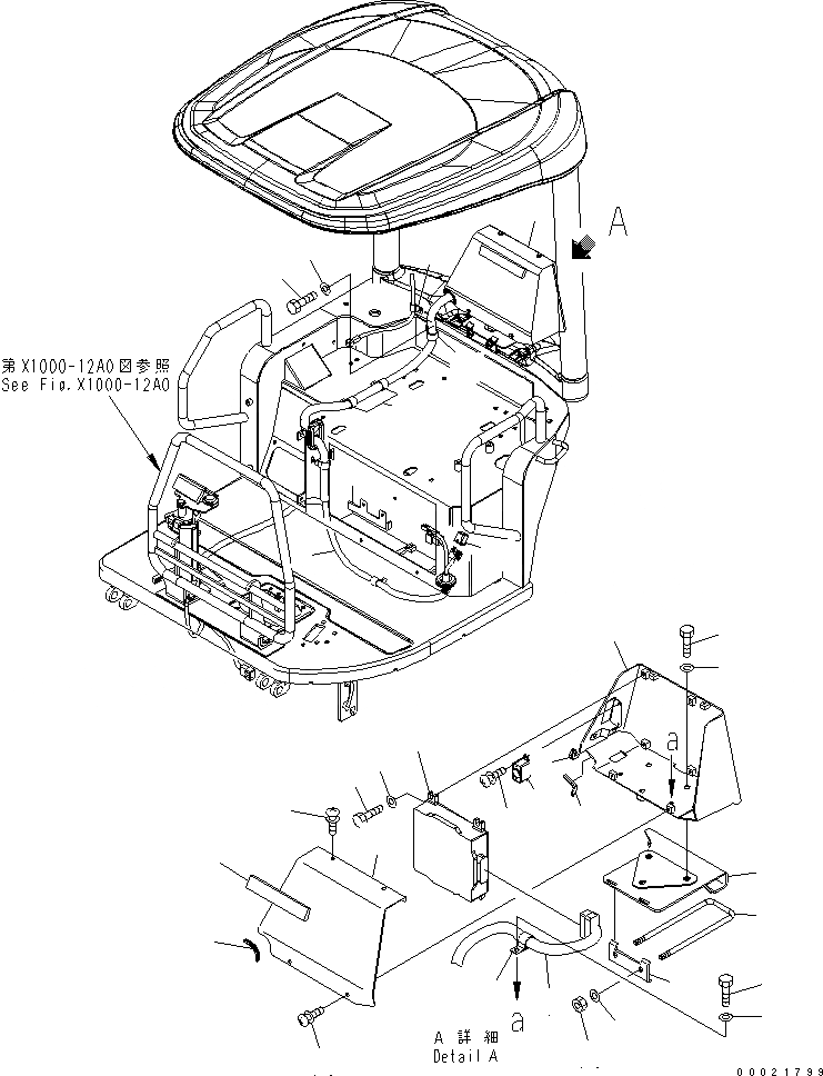
1
1
2
3
4
5
6
7
8
9
10
11
11
12
13
13
14
15
16
17
18
19
20
21
22
23
24
25
26
27
28
29
FIT
1:1
100%

Артикул

Название

Примечание

Количество

1

22L-06-22111

WIRING HARNESS

2

7825-61-1001

CONTROLLER

3

01010-80820

BOLT

4

01643-30823

WASHER

5

22M-54-22430

COVER

6

22M-54-23230

TRIM

7

22M-54-23240

TRIM

8

01010-D1035

BOLT

9

01643-71032

WASHER

10

22L-54-11230

SHEET

11

22M-54-22420

COVER

12

22M-54-23230

TRIM

13

01023-20612

SCREW

14

20U-968-4320

BUZZER

15

01023-30412

SCREW

16

22L-54-22631

BRACKET

17

22L-54-22640

BRACKET

18

22L-54-22651

U-BOLT

19

01596-01009

NUT

20

01643-71032

WASHER

21

04434-52310

CLIP

22

363-06-31130

RELAY

23

04434-52310

CLIP

24

04434-51010

CLIP

25

01010-81020

BOLT

26

01643-31032

WASHER

27

04434-52310

CLIP

28

01010-D0816

BOLT

29

01643-70823

WASHER

Выбрано товаров: 29