Запчасти Komatsu PC30MR-2-C КОРПУС ПОВОРОТА СТРЕЛЫ (РУКОЯТЬ CRANE) ОСНОВНАЯ РАМА И ЕЕ ЧАСТИ

Схема запчастей Komatsu PC30MR-2-C - КОРПУС ПОВОРОТА СТРЕЛЫ (РУКОЯТЬ CRANE) ОСНОВНАЯ РАМА И ЕЕ ЧАСТИ
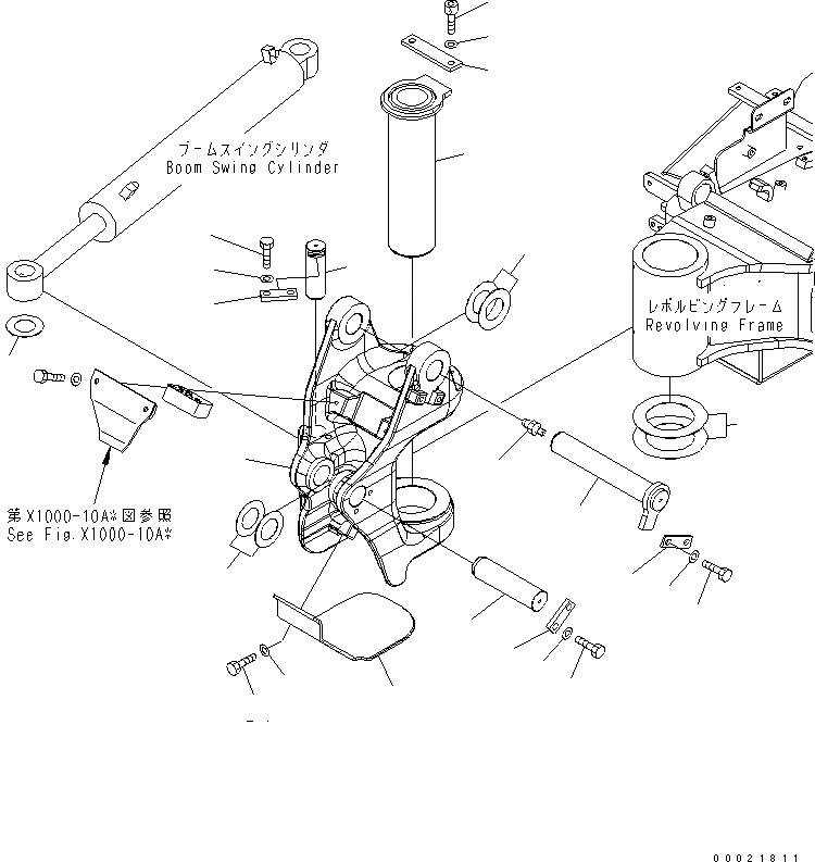
1
2
3
4
5
6
7
8
9
10
11
12
13
14
15
16
17
18
19
20
21
22
23
24
25
FIT
1:1
100%

Артикул

Название

Примечание

Количество

1

22L-70-21413

BRACKET

|1

22L-70-21412

BRACKET

2

22L-70-21422

PIN

3

22L-70-21430

PLATE

4

01252-71230

BOLT

5

01643-31232

WASHER

6

22L-70-21151

PIN

7

07020-00000

FITTING,GREASE

8

22L-70-11310

PLATE

9

01010-81230

BOLT

10

01643-31232

WASHER

11

22L-70-21162

PIN

12

04082-00212

LOCK

13

01010-81230

BOLT

14

01643-31232

WASHER

15

22L-70-21470

PIN

16

04082-00212

LOCK

17

01010-81230

BOLT

18

01643-31232

WASHER

19

22F-70-11560

SPACER¤ 0.5MM

|19

22F-70-11571

SPACER¤ 0.8MM

20

21U-70-11740

SPACER¤ 1.0MM

21

20T-70-81710

SPACER¤ 1.0MM

22

22L-70-11350

SPACER¤ 0.5MM

|22

22L-70-11360

SPACER¤ 1.0MM

23

22L-62-23333

COVER

24

01010-81025

BOLT

25

01643-31032

WASHER

Выбрано товаров: 28