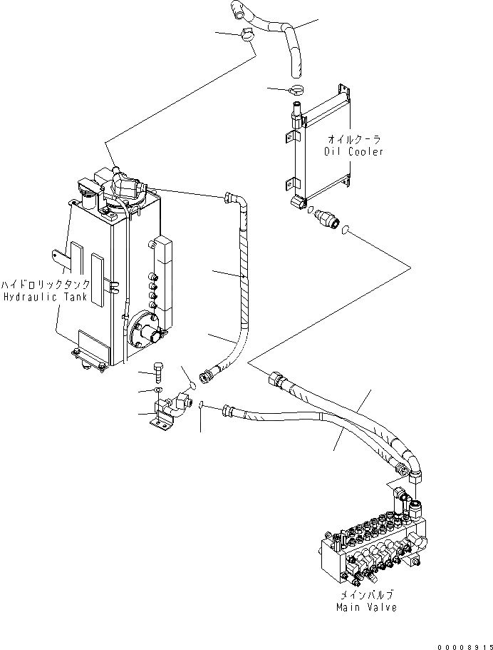
Запчасти Komatsu PC30MR-2-D ВОЗВРАТ. ЛИНИЯ ГИДРАВЛИКА

Схема запчастей Komatsu PC30MR-2-D - ВОЗВРАТ. ЛИНИЯ ГИДРАВЛИКА
1
2
3
3
4
5
6
6
7
8
9
10
FIT
1:1
100%

Артикул

Название

Примечание

Количество

1

22L-62-22331

HOSE

2

22L-62-22371

HOSE

3

07289-00035

CLAMP

4

02762-005A7

HOSE

5

22L-62-22311

TUBE

6

02896-11015

O-RING

7

01010-81020

BOLT

8

01643-31032

WASHER

9

22L-62-22351

HOSE

10

08017-32860

CONDUIT

Выбрано товаров: 0