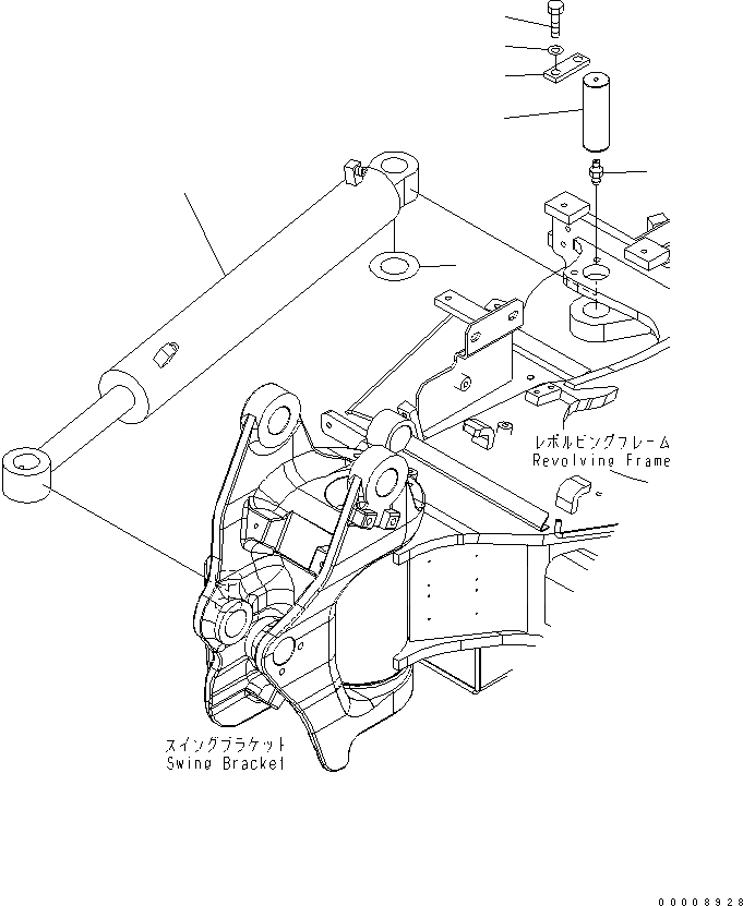
Запчасти Komatsu PC30MR-2-D ЦИЛИНДР ПОВОРОТА СТРЕЛЫ И НИЖН. ПАЛЕЦ ОСНОВНАЯ РАМА И ЕЕ ЧАСТИ

Схема запчастей Komatsu PC30MR-2-D - ЦИЛИНДР ПОВОРОТА СТРЕЛЫ И НИЖН. ПАЛЕЦ ОСНОВНАЯ РАМА И ЕЕ ЧАСТИ
1
2
3
4
5
6
7
FIT
1:1
100%

Артикул

Название

Примечание

Количество

1

707-00-0E540

CYLINDER ASS'Y,(SEE FIG.Y1620-31A0)

2

22L-70-21442

PIN

3

07020-00000

FITTING,GREASE

4

04082-00212

LOCK

5

01010-81225

BOLT

6

01643-31232

WASHER

7

21U-70-11740

SPACER¤ 1.0MM

Выбрано товаров: 0