Запчасти Komatsu PC30MR-2 КОНДИЦ. ВОЗДУХА (ТРУБЫ) (КАБИНА) КАБИНА ОПЕРАТОРА И СИСТЕМА УПРАВЛЕНИЯ

Схема запчастей Komatsu PC30MR-2 - КОНДИЦ. ВОЗДУХА (ТРУБЫ) (КАБИНА) КАБИНА ОПЕРАТОРА И СИСТЕМА УПРАВЛЕНИЯ
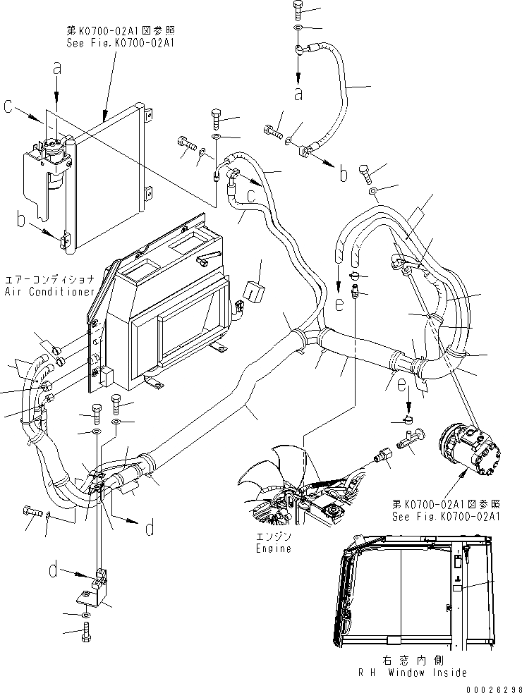
1
1
2
2
3
3
4
5
5
5
5
6
6
6
6
7
8
9
10
11
12
13
14
15
16
16
17
17
18
19
19
20
21
22
23
23
23
24
25
26
27
28
29
30
31
31
32
33
33
33
33
33
33
FIT
1:1
100%

Артикул

Название

Примечание

Количество

1

22L-979-2123

HOSE

1

22L-979-2122

HOSE

2

22L-979-2133

HOSE

2

22L-979-2132

HOSE

3

22L-979-2162

HOSE

3

22L-979-2161

HOSE

4

22L-979-2172

HOSE

5

01010-80625

BOLT

6

01643-30623

WASHER

7

01010-80825

BOLT

8

01643-30823

WASHER

9

04434-52511

CLIP

10

01010-81020

BOLT

11

01643-31032

WASHER

12

04434-51610

CLIP

13

01010-81020

BOLT

14

01643-31032

WASHER

15

09971-00070

PLATE

16

20N-62-72670

SHEET

17

08034-20823

BAND

18

22L-54-23660

SHEET

19

22L-979-2312

HOSE

19

22L-979-2311

HOSE

20

09482-50000

VALVE

21

20P-977-1150

BUSHING

22

20T-54-42510

NIPPLE

23

11Y-09-11160

CLIP

24

04435-52110

CLIP

25

01010-81020

BOLT

26

01643-31032

WASHER

27

22L-979-2183

BRACKET

27

22L-979-2182

BRACKET

28

01010-81040

BOLT

29

01643-31032

WASHER

30

20M-62-82792

TUBE

31

20N-62-72670

SHEET

32

21R-62-12541

TUBE

33

08034-20823

BAND

Выбрано товаров: 38