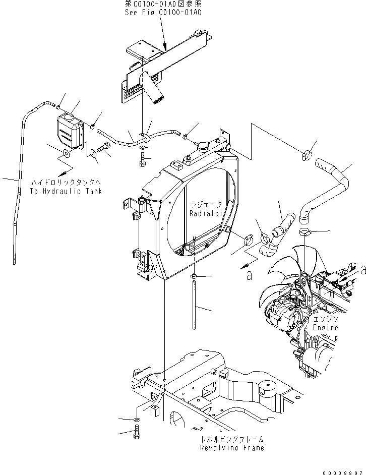
Запчасти Komatsu PC30MR-2 ОХЛАЖД-Е (СИСТЕМА ТРУБ РАДИАТОРА) СИСТЕМА ОХЛАЖДЕНИЯ

Схема запчастей Komatsu PC30MR-2 - ОХЛАЖД-Е (СИСТЕМА ТРУБ РАДИАТОРА) СИСТЕМА ОХЛАЖДЕНИЯ
1
2
3
4
5
5
5
5
6
7
8
8
9
10
11
12
12
12
13
14
15
16
FIT
1:1
100%

Артикул

Название

Примечание

Количество

1

01010-81030

BOLT

2

01643-31032

WASHER

3

22L-03-21163

HOSE

4

22L-03-21171

HOSE

5

22K-03-21450

CLAMP

5

07281-00419

CLAMP

6

YM121468-44510

TANK ASS'Y

7

01010-80616

BOLT

8

21U-54-31250

WASHER

9

22L-03-21470

HOSE

10

22L-03-21481

HOSE

11

22L-03-21180

HOSE

12

07285-00115

CLIP

13

07285-00085

CLIP

14

04434-51208

CLIP

15

01010-80816

BOLT

16

01643-30823

WASHER

Выбрано товаров: 17