Запчасти Komatsu PC30MR-2 KOMTRAX (/) (НАВЕС) (GR) ЭЛЕКТРИКА

Схема запчастей Komatsu PC30MR-2 - KOMTRAX (/) (НАВЕС) (GR) ЭЛЕКТРИКА
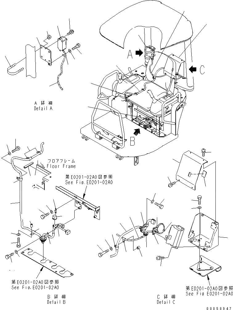
1
1
2
3
3
4
5
6
7
8
8
9
10
11
12
13
14
14
15
15
16
17
18
18
18
19
19
20
20
20
21
21
21
22
23
24
25
26
26
27
28
29
30
30
30
31
31
32
32
33
34
35
36
37
38
FIT
1:1
100%

Артикул

Название

Примечание

Количество

1

22M-06-25170

COVER

2

22M-06-25190

PLATE

3

01023-30612

SCREW

4

22M-06-25160

COVER

5

01010-D1035

BOLT

6

01643-71032

WASHER

7

08037-02512

GROMMET

8

22L-06-22210

BRACKET

9

07283-38370

CLIP

10

01597-01211

NUT

11

01023-10625

SCREW

12

7826-20-9700

BOX ASS'Y,ANTENNA

13

01023-10630

SCREW

14

363-06-31130

RELAY

15

04434-51008

CLIP

16

01010-D0816

BOLT

17

01643-70823

WASHER

18

08017-30726

CONDUIT

19

22M-06-25240

SEAL

20

22M-06-25110

WIRING HARNESS

21

04434-51710

CLIP

22

01010-D1016

BOLT

23

01643-71032

WASHER

24

01010-D1040

BOLT

25

01643-71032

WASHER

26

08034-20834

BAND

27

04434-51010

CLIP

28

22M-60-22130

COLLAR

29

08034-40521

BAND

30

04434-51708

CLIP

31

01010-D0816

BOLT

32

01643-70823

WASHER

33

195-979-3510

COLLAR

34

287-06-16420

BRACKET

35

01010-D0610

BOLT

36

01643-70623

WASHER

37

01010-D0840

BOLT

38

01643-70823

WASHER

Выбрано товаров: 38