Запчасти Komatsu PC30MR-2 ЛИНИЯ ПОДАЧИ ГИДРАВЛИКА
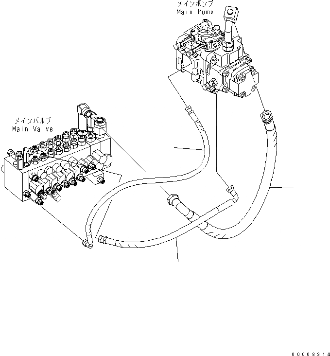
1
2
3
FIT
1:1
100%
№
Артикул
Название
Примечание
Количество
1
22L-62-22161
HOSE
2
22L-62-22172
HOSE
3
22L-62-22182
HOSE
Выбрано товаров: 3
№
Артикул
Название
Примечание
Количество
1
22L-62-22161
HOSE
2
22L-62-22172
HOSE
3
22L-62-22182
HOSE
Выбрано товаров: 3